How to Create a Linearized Math Model of a Hydraulic Motor
The most sensible way to design a motion-control system is to use the stated performance requirements as the design goals, and to do so at the very outset of the design process. The techniques are analytical in nature, so they require mathematical descriptions of all elements of the system. Only then can synthesis and simulation methods be applied to direct the design process toward the end result without undue trial-and-error techniques. This is where motion control and mathematical models complement and enhance one another.
The nature of the model is dictated as much by the intended use as it is by the nature of the device that is being modeled. Individual modelers’ beliefs and biases have been known to influence models, too. But most would agree that models fall into two broad categories: steady-state and dynamic. Both the fluid power industry and the fluid power educational community are fixated on steady-state performances, not dynamic ones. In keeping with this tradition, I, too, will begin with steady-state models. A hydraulic motor will be modeled and then analyzed through some examples of how the models can be used.
The analytical schematic of the hydraulic motor has three internal leakage paths and one internal friction-windage resistance. However, note in Fig. 1 that output is mechanical power in the form of speed and torque, while the input is hydraulic in the form of pressure and flow. Visualization is eased by imagining the real physical processes that the three leakage resistances represent in, say, a piston motor.
First, a direct path exists between the rotating barrel and the port plate, characterized by the laminar leakage resistance, Rıpp. Second, a leakage occurs from the high-pressure side, past the pistons and their bores, plus a leakage component that feeds the slipper faces through the piston centers—both components of which end up in the motor case. Its leakage resistance is symbolized by Rı1. Third, the same effects exist on the low-pressure side as on the high-pressure side, leading to a low-pressure leakage component to case drain. It is characterized by Rı2.
In addition, friction and windage accounts for a torque loss that depends on speed, symbolized by Rfw, in Fig. 1. This completes the steady-state, high speed, linearized mathematical model of a hydraulic motor. It can be used on any motor type, provided sufficient data exists to evaluate the leakage resistance and the friction and windage resistance.
1. Mathematical model of hydraulic motor must account for losses: leakage paths characterized by RıPP, Rı1, and Rı2 and friction and windage represented by Rfw.
Example Problem #1
A certain hydraulic motor has been tested at a load torque of 823 lb-in. at 2,400 rpm. The inlet supply pressure was 3,000 psi while the motor outlet and case drain were essentially at zero pressure (gage). The following additional data were recorded:
Case drain flow: 3.39 in.3/sec
Motor inlet flow: 82.9 in.3/sec.
If the motor is known to have a displacement of 1.88 in.3/revolution, what are the values for Rı1 and Rfw?
Solution—With outlet and case drain ports at zero pressure, the full 3,000 psi is impressed across Rı1, Rpp, and the ideal displacement element of the motor. First, we need to find the ideal flow, QI, using the well-known relationship:
QI = DN/60
= 1.88 ´ 2,400/60
= 75.2 in.3/sec.
We can calculate the Rı1 coefficient directly from given data by assuming that the leakage flow is laminar and, therefore, directly proportional to pressure and inversely proportional to the resistance coefficient:
Rı1=Pi/Qcd
=3,000/3.39
=885 psi/(in.3/sec).
The input flow continuity requires that:
QaM = Qı1 + QıPP + QI
QıPP = QaM1 – Qı11 – QI
QtPP = 82.9 – 3.39 – 75.2
= 4.31 in.3/sec.
Now the port-to-port leakage resistance can be found:
Rıpp= P/Qıpp
= 3,000/4.31
= 696 psi/(in.3/sec.)
To find the friction resistance, we must first calculate the ideal torque using the well-known relationship between inlet differential pressure and output torque in the ideal motor:
TI = P ´ D/2π
= 3,000 ´ 1.88/6.28
= 897.6 lb-in.
The measured torque was given as 823 lb-in. Therefore, the total friction torque loss is:
Tı = TI – Ta
= 897.6 – 823
= 74.6 lb-in.
Because we assume that this is all viscous friction loss, and that the loss is directly proportional to speed, then:
RfW = Tı /N
= 74.6/2,400
= 0.0311 lb-in./rpm
The coefficients for the motor model have been evaluated, and formulas exist for calculating leakage resistance directly from motor efficiencies. However, space prevents their inclusion here. Most technical data sheets on motors lack a specific value of case drain leakage, which is necessary to evaluate port-to-case drain resistance. The motor manufacturer must be consulted for that information.
Example Problem #2
The motor in Problem #1 is being used in a proportional valve circuit. The motor is equipped with a low-pressure shaft seal, so case drain returns to tank through separate plumbing. Due to valve pressure drops, the motor inlet port is at 2,160 psig, and the motor outlet port is at 915 psig. The motor shaft spins at 1,722 rpm. Assuming Rı1 equals Rı2, find the following:
- case drain flow
- motor inlet flow
- motor outlet flow, and
- load torque.
Solution—Figure 2 shows the analytical schematic for this example and includes all the values on it that are known. Notice that the entire supply pressure is impressed across the Rı1 leakage resistance. Therefore:
Qı1 = PA/Rı1
= 2,160/885
= 2.441 in.3/sec.
2. Analytical schematic of various fluid losses (left) and torque losses (right).
Similarly, the outlet pressure, Pb, is impressed across R2, therefore:
Qı2 = PB/Rı2
= 915/885
= 1.034 in.3/sec.
The motor differential pressure is impressed across the port-to-port leakage resistance, thus:
Qıpp = (PA – PB)/Rıpp
= (2,160 – 915)/696
= 1.789 in.3/sec.
The operating speed is given as 1,722 rpm; therefore, the ideal flow can be found from:
QI = (D ´ N)/60
= 1.88 ´ 1,722/60
= 53.96 in.3/sec.
The total inlet flow is found using the summation of flows at the A-port node:
QaMi = Qı1+ Qıpp + QI
= 2.441 + 1.789 + 53.96
= 58.19 in.3/sec.
The case drain flow is the sum of two components:
Qcd = Qı1 + Qı2
= 2.441 + 1.034
= 3.475 in.3/sec.
The outlet flow is comprised of three components:
QaMo = QIM + Qıpp + Qı2
= 53.96 + 1.789 – 1.034
= 54.72 in.3/sec.
The load torque can be found by first calculating the ideal torque:
TI = (Pi – D)/2π
= (2,160 – 915)/2π
= 198 lb-in.
The load torque is the ideal torque less the loss due to viscous friction:
Tıpp = RƒW ´ N
= 0.0311 ´ 1,722
= 53.55 lb-in.
Now:
ToM = TI – Tı
= 198 – 53.55
= 144.45 lb-in.
Summarizing, then, case drain flow Qcd is 3.475 in.3/sec; motor inlet flow QaM is 58.19 in.3/sec; motor outlet flow QaMo is 54.72 in.3/sec; and load torque ToM is 144.45 lb-in.
Synchronizing speed of two hydraulic motors
Hydraulic system designers often connect two motors in series in an attempt to synchronize their speeds. In principle, this is a sound idea. In actuality, however, the degree of synchronizing is imperfect because of finite internal leakage resistances. Now, let’s explore a practical use of a mathematical model to quantify the degree of this non-equality of the two motor speeds.
Example Problem #3
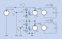
Two hydraulic motors—each identical to those described the first two examples—are to be connected in series and powered by a 60-in.3/sec constant-flow source (Fig 3). The outlet port of the low-pressure motor is connected directly to tank, as are both case drain ports. The high-pressure motor is connected to a 650 lb-in. load, but the shaft of the low-pressure motor is completely free. Using an analytical schematic, we’ll determine the speeds of both motors.
3. Analytical schematic of two motors in series with both case drains connected to tank.
Recall that pump displacement is 1.88 in.3/rev, motor leakage resistance from each motor port to its case is 885 psi/(in.3/sec), port-to-port leakage resistance of the motor is 696 psi/(in.3/sec), and torque loss from friction and windage is 0.031 lb-in./rpm.
Solution—We have four unknowns (P1, P2, N1, and N2,) so four equations will be written and solved simultaneously. Note that P4 = 0 and P3 = 0. Two node equations represent the summation of flows (P1 and P2 nodes) and two torque summation equations (N1 and N2).
The four equations are as follows:
Flow summation at P1:
60 in.3/sec = P1/885 + (P1 – P2)/696 + (1.88 ´ N1)/60
Flow summation at P2:
(1.88 ´ N1)/60 + (P1 – P2)/696 = P2/885 + P2/885 + P2/696 + (1.88 ´ N2)/60
Torque summation at N1:
188 ´ (P1 – P2)/2π = 0.031 N1 + 650, and
Torque summation at N2:
188 ´ P2/2π = 0.031 N2
Several methods exist to solve four equations with four unknowns, but the most practical is by computer. All popular spreadsheet programs have a simultaneous equation-solving capability. I have done so with the eQsolver capability in IDAS software. The results are:
P1 = 2,537 psig
P2 = 1,86.6 psig
N1 = 1,716 rpm
N2 = 1,802 rpm
The solution to this problem demonstrates that there is nearly a 100-rpm difference between the two motor speeds. If we now solve the problem with the loads reversed (the upper motor is unloaded and the lower motor is loaded), we find that:
P1 = 2,521 psig
P2 = 2,333 psig
N1 = 1,815 rpm
N2 = 1,549 rpm
This solution shows that there is nearly a 300-rpm change in the speed of the lower motor—a condition that certainly is less than ideal for the application. But without more specific information, judgements cannot be passed.





