Hydraulic-powered rail car rides the road to ruins
To preserve the integrity of the site, the Peruvian government prohibits helicopter traffic from transporting visitors to and from the site and even declared the air space over the area a no-fly zone. But Machu Picchu is the most visited tourist attraction in all of Peru and a major revenue generator, so how do you provide access for thousands of tourists without upsetting the integrity of the historical site?
An incredible journey
The solution was found by breaking the journey between Cusco, Peru and Machu Picchu into three segments. The first segment transports visitors by bus over a paved road. After leaving the bus, passengers then board one of two self-propelled train cars for a 40-mile, 1½-hr ride that takes them to the base of a foot trail that winds through scenic views to Machu Picchu.
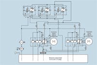
But these are no ordinary train cars. Each is powered by two Cummins diesel engines rated for 165 hp at 2000 rpm. Each engine drives a Parker Hannifin P11 axial-piston Gold Cup pump. The combined flow from both pumps feeds three M11 Gold Pump motors, and the entire drive system is controlled by Parker’s IQAN software-based control system.
The project began in 2007 when Peru’s Andean Railways Corp. contracted with the Edwards Rail Car Co. to retrofit a series of its Model 20 self-propelled passenger railcars (circa 1926) with new interiors and completely new chassis for the drive trains. Edwards Co. worked with Parker’s Hydraulic Pump Division to develop the hydraulic power system and provide an electronic remote control system for the refurbished cars The self-propelled rail cars were deemed more economical and reliable than using a locomotive to transport each car. The diesel-hydraulic drive train costs less initially than using a locomotive and is also much lighter, thereby offering lower fuel consumption throughout the life of the system.
Design specifics
John Thomas, Hydraulic systems Engineer at Parker’s Hydraulics Group, was the primary designer for project. “The first car, designated M101, consists of a rail car body retrofitted to be hydraulically self-propelled,” said Thomas. “The pair of P11 axial-piston Gold Cup pumps feeds three M11 Gold Cup hydrostatic motors mounted to a truck [wheel assembly]. Each of two motors drives a jack shaft that powers a 5:1 chain drive to deliver low-speed, high-torque power to each truck’s inboard axle.
“The third motor drives the outboard axle at the front of the car and is usually off-line,” he continued. “It can be brought on-line with the other two motors to pull a 70,000-lb disabled car up a 3.2% grade — even if the disabled car is fully loaded with fuel, hydraulic oil, water and passengers. It can also be used if a problem occurs with one of the two main motors.”
Thomas explained that the hydrostatic transmission produces 7000 kg (15,500 lb) of tractive force. “Because these cars would be going from a 2000-m (6,656-ft) elevation in Aguas Calientes to a 3000-m (10,991-ft) elevation in Cusco, we also had to put a pneumatic charge on the hydraulic reservoir to ensure that proper operating conditions are maintained for all of the hydraulics,” he said. The charge air comes from a hydraulically driven air compressor.
“The advantage to our design,” continued Thomas, “is that with the Gold Cup pump, the motor can be commanded to a zero displacement when a car is coming down from the higher elevation at Cusco. No other motor that was researched could do that. The goal was to avoid having oil re-circulate in the line while the car was coming down from the higher elevation.”
Thomas said Edwards Rail found that other motors would perform fine going up to a higher elevation, but issues arose during descent — when little or no hydraulic is power required. “It’s all gravity with no point where the track would level off and require power to the axles, or meet. Conventional hydraulic motors would build up heat and experience cavitation issues as the car descended — requiring hydraulic motor changes after every two to three runs.”
Before shipment to Peru, the M101 car was given a trial run on the Cumbers & Toltec scenic narrow gauge railroad in a little-known corner of the southern Rocky Mountains. “The test,” Thomas beamed, “covered 50 miles (80 km), running from 7500 ft (2286 m) above sea level to 8500 ft (2590 m). The car maintained a speed of 25 mph (40 km/hr) up 2% grades, and 20 mph (32 km/hr) on 4% grades. Curves of 22° were easily handled at 20 mph. Importantly, the ride was smooth with no bouncing, rocking, or swaying.”
IQAN in control
Thomas continued, “During initial test runs, we installed Parker’s IQAN software-based control system. Front and rear drive stations are provided in each car, and we specified a large screen IQAN MDL display module with two XA2 expansion modules and joysticks for each. The system controls engine speed, pump displacement, and, ultimately, ground speed. All diagnostics for the hydraulic system and a few for the engine are monitored in the MDL display module.”
“We also programmed in a horsepower limiter. This was necessary to add torque capacity to the system to enable operating at about 3200 psi on a 3.2% grade with a 14° track curvature for the 70,000-lb railcar,” Thomas explained. “This allows the system to go up to 5000 psi to accelerate the car up to speed as may be necessary.”
Parker’s IQAN software and MDL display modules were installed in the Machu Picchu self-propelled hydraulic railcars to control engine speed as well as the stroke of the Gold Cup pumps. The IQAN MDL display module and expansion modules at each drive station monitor oil and air pressures, oil temperature, and vehicle ground speed through Parker ECD sensors. The joystick is the primary operator input for speed control, while the IQAN system provides system control for engine speed, pump displacement, motor displacement, hydraulic motor driven air compressor, and hydraulic system cooling circuit. In addition to control functions, all diagnostic parameters for the hydraulic system are shown on the MDL screen along with key engine diagnostics.
The MDL display modules in this application are master modules that control the engines via J1939 (Automotive Standard Bus Protocol) and the XA2 expansion modules. The expansion modules are needed because so many inputs and outputs must be monitored and controlled — valves, pumps, motors, sensors, etc. All I/O are wired to the expansion modules, which communicate to the MDL via CAN bus. This eliminates a considerable amount of wire because the I/O can go to a central point, then communicate to the MDL module through only the two wires in the CAN bus.
The IQAN MDL module is designed for in-cab environments to serve as a master control unit and its display can be used to replace all mechanical dial type instruments. Its 6½-in. transflective TFT color display is easy to read across a wide range of operating conditions.
The MDLs modules also have six on-off, high-side power outputs that can control proportional valves using either current mode (current closed-loop) or PWM mode (voltage openloop) signals. The proportional outputs can control two bi-directional valve sections or two single solenoid devices, such as proportional cartridge valves. Outputs can alternatively be used as digital inputs for switches. Functions can be added or altered during program development or later by using a laptop or palmtop computer.
Building on success
Following the success of the first car, the project of fabricating and testing the second car, M102, was given to Eikon in Peru, a subsidiary of Andean Railways Corp. This decision presented its own set of challenges because Peruvian workers didn’t understand the unusual hydraulic system design.
“We tried to warn them about the need for cleanliness in welding the hydraulic piping due to the high flows and 5000-psi pressure rating,” recalled Thomas. “As a result, they experienced several issues that delayed getting the final certification approval from the Minister of Transportation for Peruvian Rail.”
However, both rail cars were certified to run the route to Machu Picchu and back. With the knowledge and testing gained from the M101 railcar, there is proof that there are special applications where hydraulic self-propelled railcars can be a cost-effective, reliable, low maintenance alternative to electric, steam, and diesel powered units for passenger service.
See a promotional video about the hydraulic rail car below.
Click here for more information on Parker’s Gold Cup pumps and motors.
Click here for a downloadable PDF describing IQAN components.





