Accumulator circuits
This file type includes high resolution graphics and schematics when applicable.
Traverse and clamp
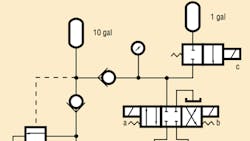
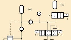
In this arrangement, fluid from the large accumulator combines with pump output to extend the cylinder rapidly. Fully extending it trips the limit switch to actuate solenoid (c). The small accumulator maintains high clamping pressure on the cylinder for a timed period, during which the pump recharges the large accumulator. Any fluid lost by the small accumulator will also be replaced during this time.Standby power source
In this diesel engine starting circuit, maximum power is required for a short period, with long time between operations. Power for starting is stored in the accumulators. During operation, the main pump charges the accumulators to the pressure setting of the unloading valve. The pump is unloaded for the remainder of running time. For starting, the manual valve is opened, connecting the combined output from the accumulators to drive the fluid motor. The hand pump recharges the accumulators in case of leakage.Surge reduction
Operating the 4-way, closed-center valve in this circuit can cause the formation of shock pressures several times the value of the maximum pressure setting on the relief valve. Because the relief valve cannot act fast enough to drain off fluid, the high pressures can be dangerous to personnel and equipment. The accumulator in this circuit absorbs the surge pressures generated when the valve is placed in the neutral positionClamping
Holding pressure, leakage compensation, and power savings are obtained by using the accumulator in this vise circuit. While the vise jaws are in the clamp position, pressure is held by the accumulator, and pump output is unloaded at low pressure. The accumulator compensates for any leakage past the piston seals in the cylinder. When clamping pressure drops below the setting of the unloading valve, the valve closes, and the pump recharges the accumulator.Increased speed
Using a pilot-operated check valve allows adding fluid from the accumulator to pump output at the proper time within a cycle. Operating the manual valve directs fluid to retract the cylinder, exerting a pulling force. When pressure increases, the check valve opens, connecting the accumulator to the cylinder for fast action. Releasing the manual valve allows the pump to recharge the accumulator to the pressure setting of the unloading valve.Safety device
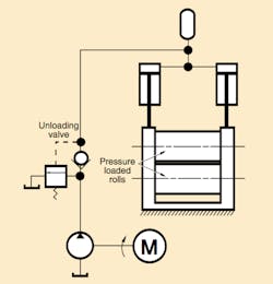
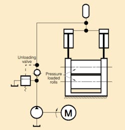
These mill rolls are loaded by hydraulic pressure. Using an accumulator allows running the pump unloaded most of the time, which saves power. The accumulator also protects the rolls from damage if a large piece of foreign matter enters the mill by absorbing fluid displaced when the roll rises. This fluid returns to the circuit when the foreign matter has passed through.This file type includes high resolution graphics and schematics when applicable.








