How To Troubleshoot Hydraulic Cylinder Drift
A popular misconception about hydraulic cylinders is that if the piston seal is leaking, the cylinder will drift down. Fact is, if the piston seal is completely removed from a double-acting hydraulic cylinder, the cylinder is completely filled with oil and its ports are plugged, the cylinder will hold its load indefinitely - unless the rod-seal leaks.
What happens under these conditions - due to the unequal volume either side of the piston, is fluid pressure equalizes and the cylinder becomes hydraulically locked. Once this occurs, the only way the piston-rod can move is if fluid escapes from the cylinder via the rod seal or its ports. Watch this 8-minute video to understand how this happens.
If you grasp the theory at work here, you'll probably realize there are a couple of exceptions. The first is a double-rod cylinder - where volume is equal on both sides of the piston. And the second is when a load is hanging on a double-acting cylinder. In this arrangement, the volume of pressurized fluid on the rod side can be easily accommodated on the piston side.
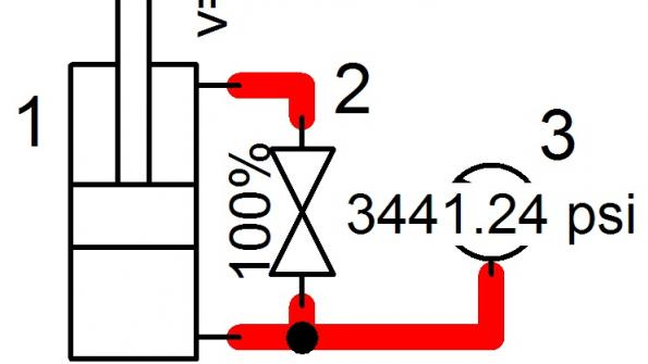
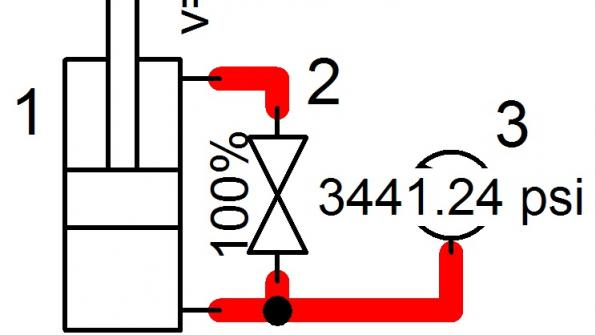
This is not quite the end of the story though, but it's important to at least grasp this theory before we move on. Notwithstanding the two exceptions mentioned above, if a double-acting cylinder's service ports are blocked - by a closed-to-actuator or cylinder spool and the piston seal does bypass, pressure will eventually equalize on both sides of the cylinder's piston. As already stated, at this point a hydraulic lock is effected and no further drift can occur - unless fluid is allowed to escape from the cylinder or the cylinder's circuit.
But because of the loss in effective area - due to pressure now acting on the rod-side annulus area, the static pressure in the cylinder must increase to support the same load. For example, if the load-induced pressure on the piston side of the cylinder was 2,000 PSI and zero on the rod side when the DCV was centered, assuming no leakage past the spool, the equalized pressure may be 3,000 PSI - depending on the ratio of the areas.
But what if this circuit has a service port relief valve set at 2,500 PSI? As pressure starts to equalize across the piston seal and the increasing static pressure on the piston side of the cylinder reaches the cracking pressure of the port relief, the cylinder WILL creep down.
So while the root cause of the problem IS the leaking piston seal, the physics that applies is fundamentally different to what many people believe. And if you understand the theory, you can see how the humble pressure gauge can be extremely useful when troubleshooting cylinder drift.
Bottom line: if you don't understand the physics involved, costly troubleshooting mistakes can be made. And to discover six other costly mistakes you want to be sure to avoid with your hydraulic equipment, get "Six Costly Mistakes Most Hydraulics Users Make... And How You Can Avoid Them!" available for FREE download here.
About the Author
Brendan Casey Blog
Author
Brendan Casey is a war-weary and battle-scarred veteran of the hydraulics industry. He's the author of The Hydraulic Troubleshooting Handbook, Insider Secrets to Hydraulics, Preventing Hydraulic Failures, The Definitive Guide to Hydraulic Troubleshooting, The Hydraulic Breakdown Prevention Blueprint and co-author of Hydraulics Made Easy and Advanced Hydraulic Control. And when he's not writing about hydraulics or teaching it, Brendan is flat-out helping consulting clients from a diverse range of industries solve their hydraulic problems. To contact him visit his company's Website:
www.HydraulicSupermarket.com

Leaders relevant to this article:
