Troubleshooting Challenge: Slow Motor with Low Torque
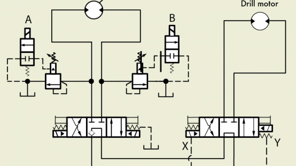
An OEM had a machine that developed a problem with a motor-driven porting tool in a high-production application. When drilling a hole, the motor was slow and lacked the torque needed for a quick in-and-out cycle. The positioning motor seemed to work fine — it cycled correctly, and both A and B port unloader valves would dump fluid directly back to tank (without it passing through the return filter) and releasing any force on the fixture when the porting tool was energized. The cycling rate of the machine had dropped almost 50% from what was achieved in the past.
The company’s metallurgy lab confirmed that the castings were within material specifications, and the tooling was factory new before asking maintenance help.
The maintenance crew studied the circuit and felt the porting tool motor needed replacing. However, a new motor did not help the cycling rate of the porting tool at all. Both directional valves shifted fine, both manually and electrically. The only thing left in the circuit was to replace the two-stage pilot operated directional valve. They made sure the pilot pressure, (X) port and pilot drain, (Y) port both were configured for external connections. Unfortunately, this didn’t help either.
They finally decided to find a pressure gauge and flow meter with a loading valve to further troubleshoot the system. The pressure gauge was installed close to the pump outlet, and the flow meter fit nicely into the main pressure line going to the first directional valve. They found both the system pressure and flow met design specs.
Any idea what the cause of the problem might be?
Solution
The porting tool motor circuit was running slow and didn’t have much power, but the positioner motor circuit worked fine. The unloader valves in the A and B positioner circuit must be leaking oil to the tank when the porting tool circuit is energized. When the first valve was disassembled, the spool was found to be broken in half.
Tandem type spools are hollow and ported to allow pressurized fluid to flow past the blocked A and B ports and out to tank. This weakens the spool, and if they are cycled at a high rate, fatigue can cause them to break into two pieces. They can still cycle end to end, but when commanded to center, the two halves move in opposite directions and connect all four valve ports together.
In this case, the A and B ports were partially obstructed buy the spool halves. Some of the fluid dumped over the unloader valves, while some flowed to the porting tool motor.
However, their troubles weren’t over when technicians installed a new valve. They didn’t notice a 65-psi pilot pressure check inserted into the P port of the old valve, and neither valve would cycle at startup. They installed a line-mounted 65-psi check valve between the external pilot line connection and the first valve to solve this new problem.
Robert J. Sheaf Jr., is founder and president of CFC Industrial Training, a Div. of CFC Solar, which provides technical training, consulting, and field services to any industry using fluid power technology. Visit www.cfc-solar.com for more information.
About the Author
Bob Sheaf
President
Robert J. Sheaf Jr., is the founder and president of CFC Insustrial Training, formerly Certified Fluid Consultants, part of CFC-Solar Inc. CFC-Solar provides technical training, consulting, and field services to any industry using fluid power technology.


