Troubleshooting Challenge: Rolling mill overheating problem
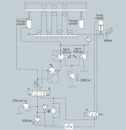
A plating mill receives 6- to 8-ft wide coiled steel and chemically treats it with a process similar to galvanizing. The rolls have about a 4 to 6 ft OD and are unraveled like paper towels. The loose end of a sheet is fed into a pair of pinch rolls that directs the steel through several stations that wash, rinse, dry, and heat it. After it is coated and treated, the steel is then rolled back into 4- to 6-ft coils and shipped to automotive stamping plants. The complete mill can be a city block long.
Feeding a new sheet into the pinch rolls and subsequent stations is time consuming, To reduce this bottleneck, plant personnel use a storage tower that accumulates a large amount of flat sheet. The lead end of a coil is clamped to hold it still as it starts to enter the first set of pinch rolls. A new coil is then loaded and butted up to the tail end of the previous one. Next, the two ends are welded together, and the clamp is released to allow the new coil to thread through the machine. This keeps the process running continuously 24-7.
When the clamp engages to stop and hold the tail of the coil, the mill continues to run. When the sheet is clamped at the end for welding, the pinch rolls on the other side of the storage system continue to pull stored sheet from the storage tower. This extra force collapsing the storage tower causes the reducing valve’s outlet pressure to increase 75 psi, which relieves over the relief valve and allows the storage rack cylinders to retract as the stored sheet is removed.
Once the welding is complete, the clamps are released, and the pressure drops below the reducing valve setting. Then the rack starts extending to replenish the stored volume. The rack retracts during welding of a new roll and extends when the welding clamps are released.
An overheating problem developed when the relief valve stuck in the relieving position and did not close when the pressure dropped. The OEM, now out of business, had removed the valve’s nameplate, but a technician recognized the valve as a Vickers CT-10 and installed new one. The heating problem persisted, so they replaced the pressure reducing valve but still could not get it to work right.
The service manual instructed them to plug both “vent ports” of both valves that were plumbed to the remote proportional control, set the reducing valve pressure to 1600 psi, and adjust the relief valve pressure to 1500 psi. It also instructed them to lower the reducing valve pressure to 1425 psi, which they did, and all was fine at these pressures. However, when they reconnected the remote control, the problem came back. They then replaced the remote proportional valve, but to no avail.
They did not know what to do next. Do you?
Find the solutionThink you know the answer? Submit solutions to [email protected]. The correct answer will be published in the next edition of “Troubleshooting Challenge.” All correct solutions will be entered for a chance at a $50 gift card — we will randomly select a winner from all correct answers. The winner’s name will be printed in the next edition of “Troubleshooting Challenge.” |
Solution to last month’s cogging cylinder problem
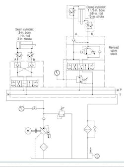
Vertical cylinders with weights and pilot-operated (PO) check valves require special consideration. The cogging of the new press that formed top covers on chimneys is a common problem. Pressure builds in the cap end of the cylinder to extend the piston rod, and this same pressure pushes the PO check valve open. When the check valve opens, the cylinder can drop quickly, causing the cap-end pressure to drop low enough to allow the check to close, causing the cylinder to stop. The cycle keeps repeating, which causes the cylinder to cog.
Several things were at play with this type of circuit: line sizes and their lengths, the pilot ratio of the PO check valve, the weight on the cylinder, the location of the flow control (flow controls were built into the cylinder end caps, so they could not be relocated), and the circuit pressure.
To fix the problem, our Jon Rhodes removed the rod-end PO check poppet and added a counterbalance valve module to the stack. He was told that the PO check was designed to stop and hold the load from drifting down. The directional valve spool had the P and B ports blocked, with port A going to tank. This would cause the cylinder to drift up while the counterbalance valve prevented the cogging.
About the Author
Bob Sheaf
President
Robert J. Sheaf Jr., is the founder and president of CFC Insustrial Training, formerly Certified Fluid Consultants, part of CFC-Solar Inc. CFC-Solar provides technical training, consulting, and field services to any industry using fluid power technology.


