Download this article in PDF format.
When selecting an electropneumatic pressure control valve (EPC valve), designers typically evaluate linearity, hysteresis, nominal flow, repetitive precision, dynamics, size, and costs as they relate to a specific application. As is usually the case with most engineering choices, picking the right valve means balancing the tradeoffs of various performance parameters and still meeting cost objectives. However, the higher performance provided by today's compact valves can virtually eliminate the tradeoffs, giving designers new freedom in applications.
Due to their ability to convert an electrical signal proportionally into pneumatic pressure, EPC valves are used where electrical control is required to act directly on a change of pressure or force. Specifically, the EPC valve modulates the pressure proportionally to the analog electrical input. Integrated electronics compare the nominal input value and the pressure in the output line, which is measured by a piezoresistive pressure sensor. The controller generates an output signal to control the magnetic solenoids in order to obtain the required pressure in the output line. Valves typically operate either with a 4- to 20-mA current or 0- to 10-V signal.
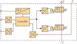
1. A twin 2/2 valve configuration provides precise proportional pressure regulation.
The EPC valves use a configuration of twin 2/2-way valves (Fig. 1), so that pressure and exhaust can be controlled directly and independently. With direct control, the force required to adjust the valve seat is directly provided by a proportional magnet. Pressure is measured at the outlet and sent to the controller, so the current strength can be controlled precisely. As a result, the opening of the valve is controlled as well. True proportional control is achieved, eliminating the steps of an on-off solenoid. A nearly wear-free adjustment of the valve seat offers an exceptional final control element in constantly changing processes.
With a direct drive, inertia and hysteresis can be avoided in mechanical transfer elements. Control precision basically depends only on the quality of the pressure sensor used. Thus, much higher dynamics can be achieved with the smallest control deviations.
Packing a Compact Punch
Figure 2 shows an example of a compact EPC valve. The Aventics ED02 valve measures only 76 by 60 by 30 mm while achieving a nominal flow exceeding 100 l/min (3.5 scfm) and standard pressure range of 0 to 10 bar (145 psi). Vacuum service versions are also available. Traditionally, such flows required a much wider valve body, but advances in both control technology and proportional magnetics enable smaller packages.
2. Compact valves, with widths as thin as 30 mm, can deliver high performance over a wide range of simple and complex application needs.
Even with the small size, excellent control is achievable. The ED02 with the largest pressure sensor range, for example, achieves a repetitive precision of 17 mbar (0.25 psi), meaning that the valve offers only small deviations from a given setpoint. Similarly, hysteresis, or the largest pressure difference for the same setpoint signal running up and down throughout the full signal range, is only 36 mbar (0.52 psi). Linearity is also very precise, varying less than 1% over the full control range. Together, these three characteristics allow for high-precision, highly repeatable, and smooth and quiet operation.
Dynamics refers to the speed with which a valve can respond to changes. While actual speeds will vary with application, an EPC valve featuring high dynamics will respond faster than one with lower dynamics. A two-valve configuration also allows for higher dynamics—it separates control of ventilation and exhaust, with each being quickly, precisely, and independently controlled.
Figure 3 shows how this separation lets both functions occur efficiently because of their independence. Dynamics are also affected by flow rates. Thus, the ability of compact valves to handle relatively high flows allows for high dynamics. Finally, intelligent on-board electronics permits fast reactions and sophisticated control strategies.
3. Independent ventilation and exhaust functions, along with high flow rates, increase the valve's dynamics. The graph is based on supply pressure of 1 bar and volume of 1 l.
The compact valves are easily adaptable to advanced closed-loop operations. In such cases, feedback allows continual adjustment to maintain higher levels of precision under varying conditions. Very precise control tasks, for example, may require directly monitoring the controlled variable and override the pressure control with a force controller. Electronic feedback permits control based on torque, temperature, position, force, speed, and other variables.
The valves are also very tolerant of shock and vibration. They can be directly mounted to equipment for quick response and simplified plumbing and wiring.
Flexing Their Flexibility
Dynamic movements and exact positioning are a specialty of pneumatic systems. The new generation of compact EPC valves offers a universal applicability across multiple industries, from automotive to semiconductors. High dynamics, excellent precision, and high flow rates provide maximum flexibility in both open- and closed-loop applications, including:
Position and speed control—Most pneumatic positioning systems on the market control the position of the actuator with directional flow. Systems utilizing two EPC valves with other “standard“ components (e.g., cylinders) can provide precise pneumatic positioning with simple 0- to 10-Vdc or 4- to 20-mA analog command for stroke setpoint. As a result, they provide proportional pressure control—not flow control.
The principle of operation can be applied equally well in both piston rod and rodless pneumatic cylinders, in a considerable range of bore sizes and strokes. In addition, substantial cost savings over electric drives can be achieved when precision of electric drives is not required. If there is a need for speed control, controlling the pressure in the cylinder chamber enables defined movement of the piston with various speed profiles.
Paint quantity control—The EPC valve keeps the pressure in the container constant. Automated paint-spray systems require flow control of different viscosity paints and speed control of atomizing turbines. The EPC valve, with integrated closed- loop technology, provides the exact pressure required to allow for even painting. For example, EPC valves are a standard component in OEM automotive paint-spray applications.
Contact pressure control—Keeping the surface pressure of the tool constant provides uniform results for surface processing. With the EPC valve, processes requiring variable press forces, such as wood lamination and welding tips, can be controlled with precision. Electropneumatic pressure control in welding tips makes it possible to quickly and gently close the tips and enable welding forces with repetitive precision.
Air quantity control—The air flow through a nozzle is able to be adjusted automatically and exactly using controlled pressure. Precision can be optimized by installing a flow-rate sensor and an overriding rate control.
Engine control—Controlled air-flow pressure provides an even and easily adjustable rpm for pneumatic motors/turbines. An extremely precise control can be achieved using an rpm sensor. In marine applications, the EPC valve can be used with electronic marine controls over distances exceeding 300 ft to control various components, including pneumatic brakes, throttle actuators, and propulsion systems to control variable pitch propellers. For onboard truck applications, the EPC valve is used to meet the highest emission standards in exhaust gas recirculation, to control the power of the turbocharger or the engine brake.
Compensating roller control—Pressure-controlled tensioning devices using EPC valves prevent lengths of fabric, plastic, paper, ribbon, etc., from tearing or getting tangled and provide an optimal material flow (Fig. 4).
4. Electropneumatic pressure regulator valves are ideal for controlling tension in roll applications by preventing tangling and tearing while optimizing flow.
Capacity control—Electropneumatically controlled metering valves allow containers to be filled precisely down to the gram with high cycle time and repetitive precision.
Counterbalancing control—A cylinder with applied pressure helps to handle heavy loads. Using an EPC valve, the supporting force can always be adapted optimally to the load to be moved.
EPC valves are also a valuable tool in achieving energy savings of approximately 20% due to reduced air consumption in your applications. Integrating various functions into a single component, with the precise control of an EPC valve you can achieve free selection of pressure, adjustable force and speed, and application-specific pressure profiles. These valves give you the ability to simply and efficiently obtain rapid buildup of force in one direction of cylinder stroke or movement, with a reduced pressure in the return stroke. The required pressure is provided for each direction of movement in your application.
Since most applications use multiple EPC valves, the ease with which they are ganged is often an important design consideration. Most devices require a baseplate for mounting, although newer devices, such as the ED02, can be linked directly without a baseplate. The supply air can be fed in from both sides, while a single M12 connector is used for electric power supply, analog setpoints, and actual values. A pneumatic control module coordinates the valves and allows flexible connection to the control system by standard fieldbuses or Ethernet.
About the Author
Marchelle Forish
Senior Product Specialist
Marchelle Forish is a Senior Product Specialist at Aventics Corp., Lexington, Ky.

Leaders relevant to this article:




