Book 2, Chapter 4: Slip-In Cartridge Valves
The term cartridge valves commonly refers to screw-in types of pressure, directional, and flow control valves. Screw-in type cartridge valves are mostly low-flow valves -- 20 gpm or less, although some manufacturers’ valves can handle more than 100 gpm. Screw-in cartridges are very compact, develop low-pressure drop, have little leakage, and produce inexpensive circuits that are reliable and easy to maintain. Screw-in cartridges are most often part of a drilled manifold but also are available in individual bodies. The function and performance of screw-in cartridge valves are the same as in-line or subplate-mounted valves.
Slip-in cartridge valves are different because -- except for pressure controls -- they are simply 2-way, bi-directional, pilot-to-close check valves. Most circuits using slip-in cartridge valves flow at least 60 gpm and can go as high as 3000 gpm. Slip-in cartridges are compact, develop low-pressure drop, and operate at pressures to 5000 psi. Slip-in cartridges can function as pressure, flow, and directional control valves.
Figure 4-1 shows a cutaway view and symbol of a 1:1 area ratio, poppet-type cartridge valve. Pressure relief, sequence, unloading, and counterbalance functions normally use a 1:1 area ratio poppet. The area ratio is the relation of the pilot area to the A port area. The 1:1 area valve stays closed when pilot pressure is equal to or greater than the A port pressure.
Figure 4-2 shows a cutaway view and symbol for a 1:1.1 area ratio valve. Here the pilot area is 1.1 times the A port area. Use this 1:1.1 ratio for special directional controls where system pressure at the pilot area must hold against excess pressure at the B port. Some pressure control applications also use this area ratio. Flow is possible from A to B, or B to A with low or no pilot pressure.
Figure 4-3 shows a cutaway and symbol for a 1:2 area ratio cartridge valve. Most directional-valve functions use this area ratio. Here, pilot area is twice the A or B port area. The 1:2 ratio valve allows flow from A to B or B to A with the same pressure drop. When the pilot area sees the same pressure as the A and/or B, all flow stops.
Slip-in cartridge pressure-relief valves
The schematic symbol and cutaway in Figure 4-4 are for a slip-in cartridge relief valve. The symbol for a cartridge is more pictorial than for spool valves, though the pressure-adjusting section uses a conventional ISO symbol.
Pressure relief cartridges can only flow from port A to port B. Port A is always connected to the pump while port B is always connected to tank. The spring that holds the poppet in place allows it to open at about 30 psi. This internal spring seats the poppet regardless of valve mounting position.
A slip-in cartridge valve has a cover that contains porting relative to the function the valve will perform and an adjustable spring-loaded poppet (the adjustable relief). This cover also holds the slip-in cartridge in place. The slip-in cartridge has a bushing with seals to prevent leakage to the outside or across the ports. This bushing fits in a machined cavity and contains the poppet that moves to allow fluid to pass. The poppet on a relief valve has a ratio of 1:1, which means the areas at the working fluid side, at the A port, and at the pilot side are equal.
Drilled pilot passages allow fluid to flow through control orifices to the pilot area of the poppet and to the adjustable relief in the cover. As system pressure increases, the poppet sees the same pressure on both sides and stays closed . . . held by the 30-psi spring. When system pressure reaches the relief setting, the adjustable relief opens a small amount, allowing pilot flow to tank. When pilot flow to tank is greater than control orifice flow from the A port, pressure on top of the poppet lowers. Then the poppet unseats to pass excess pump flow to tank.
Figure 4-5 shows the same cartridge relief valve with a single-solenoid directional valve — or venting valve — mounted on the cover. This solenoid-operated relief holds maximum pressure with the solenoid energized and unloads the pump to tank at approximately 30 psi when the solenoid is de-energized. Reversing the solenoid coil and spring keeps the pump loaded until the venting valve is energized.
Figure 4-6 shows the symbol for a dual-pressure relief valve with pump unloading. Pressures are set at the two manually adjustable relief covers and the solenoids select which relief to use. When both solenoids are de-energized, the pump unloads.
The symbol in Figure 4-7 is for an infinitely variable cartridge relief valve. A proportional solenoid valve is mounted on the cover of this 1:1 cartridge. The proportional solenoid valve controls vent flow, which in turn controls pressure. An electronic signal sets infinitely variable pressure to protect the system in varying conditions. The manually adjusted relief cover under the proportional solenoid sets maximum system pressure regardless of electrical input.
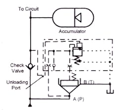
Figure 4-8 shows the symbol for a relief valve with a low-pressure unloading port. Set the relief cover for maximum pressure as before. Then, when it reaches maximum pressure, the relief cartridge opens to unload the pump at approximately 30 psi. Venting pressure comes from piping the unloading port downstream of a check valve that holds fluid in the accumulator. Until there is about a 15% pressure drop in the accumulator holding circuit, the pump will stay unloaded. When pressure drops about 15%, the relief cartridge closes until system pressure reaches maximum setting again.
The schematic symbol and cutaway in Figure 4-9 are for a cartridge pressure-reducing valve. The ISO symbols for the cartridge and the pressure-reducing section are conventional. Pressure-reducing cartridges only flow from port B to port A. Port B always sees inlet or system pressure, while port A is the reduced-pressure outlet. If reverse flow is necessary, add a bypass check valve to allow return flow around the reducing valve. The spring directly holding the spool in place keeps it open regardless of valve mounting position when pressure is below the adjustable relief setting.
The slip-in cartridge reducing valve has a cover that contains porting relative to the function to be performed. An adjustable spring-loaded poppet (the adjustable relief) in the cover sets outlet pressure. This cover also holds the slip-in cartridge in place. The cartridge has a bushing with seals to prevent leakage to the outside or across the ports. This bushing fits in a machined cavity and contains the spool that closes as pressure increases. The spool on a reducing valve has a ratio of 1:1 -- which means that the A port area and pilot area are equal.
A drilled pilot passage allows fluid to flow through a pressure-compensated control orifice to the adjustable relief in the cover, as well as to the top of the spool. As pressure builds, the spool stays open because of the spring and the equal pressures on equal areas, thus letting flow continue through the valve. When the A port reaches the reduced pressure setting, the adjustable relief opens and pilot fluid flows to tank through the drain. When pilot flow is greater than control orifice flow, lower pressure on top of the spool allows it to rise, blocking flow from the B port to the A port. Pressure at the A port will not exceed that set on the adjustable relief unless a load-induced pressure tries to force flow back through the closed spool. There will be pilot flow out the drain port whenever the reducing valve is at reduced pressure. Blocking or closing the drain port causes the spool to fully open and allow outlet pressure to reach system pressure.
A pressure-reducing valve will not allow reverse flow after it has reached its set pressure. For example, if the reduced pressure is 500 psi at a cylinder and some outside force starts pushing against the cylinder, there is no place for most of the fluid to go. About 50 to 100 in.3/min of excess fluid passes through the pilot circuit and out the drain port while the valve is reducing. Fluid in excess of drain flow becomes trapped and pressure builds, possibly to dangerous levels. If there is a chance of outside forces that can increase outlet pressure, add a relief valve bypass at the outlet. A bypass relief valve relieves trapped fluid before excessive pressure can damage the valve or machine.
Figure 4-10 shows a cartridge reducing valve with dual-pressure capabilities. A solenoid-operated selector valve and a second adjustable relief mounted on the cover give the option of two pressures. Always use the first adjustable relief above the spool for maximum pressure setting. A single-solenoid directional valve (as shown) allows default to maximum pressure. Using a 2-position detented directional valve maintains the last pressure selected.
Figure 4-11 shows a proportional solenoid valve mounted on the adjustable relief. Such a valve allows selection of infinitely variable pressures via an electrical command. Allowing pilot flow to bypass the adjustable relief gives a reduced pressure of anything lower than the adjustable relief setting. An electronic signal to the proportional solenoid varies pilot flow that controls pressure on top of the spool.
Slip-in cartridge check valves
The simplest directional control valve is a check valve. Figure 4-12 shows the symbol and cutaway for a cartridge check valve. A check valve has a cover with a control orifice to control pilot fluid. The control orifice dampens the poppet movement. It is available in several diameters. The cover also holds the cartridge in place and seals it with an O-ring. The cartridge has a bushing with seals to prevent leakage to the outside or across the ports. A machined cavity holds the bushing that contains the poppet that will open when fluid flows in the right direction. The poppet on a check valve has a 1:2 ratio, which means the area at the two working ports (A or B) is one half of the pilot area. A 1:2 ratio poppet allows flow in either direction as long as pilot pressure is off or slightly less than half the working pressure.
Several spring forces are available — from as low as 5 psi to more than 70 psi. The lowest spring pressure possible is best for normal check valve operation.
In Figure 4-12, a drilled pilot passage senses the pressure at the A port. Flow from the B port to the A port passes with a slight pressure drop caused by the volume of flow plus the spring force. When flow tries to reverse (from the A port to the B port) as pressure on the A port half area increases, it goes through the pilot passage to the main pilot area. Because the A port area is only half the pilot area, the poppet stays closed and blocks reverse flow.
Figure 4-13 shows the same valve with the pilot passage drilled to the B port. With this valve, flow is free to go from A to B, but not from B to A.
The symbol and cutaway in Figure 4-14 are for a cartridge pilot-operated check valve. The cartridge is the same as a standard check valve, but with a different cover. The cutaway shows the works of the cartridge pilot-operated check valve cover. On the left of the cover, a pilot piston pushes a simple ball check from the left seat to the right seat. The ball check stays to the left -- its normal position -- held by a light spring.
If oil tries to pass from the B port to the A port, the same pressure that is trying to open the check on the half area also is applied to the pilot area, keeping the poppet closed.
Flow from the B port to the A port requires a pilot pressure equal to at least 30% of pressure at the B port to shift the pilot piston. When there is sufficient pressure on the pilot piston, it will move the ball check off the left seat, opening a path to the drain. At the same time, closed flow at the right seat blocks flow from the B port. With little or no pressure at the pilot area, the 1:2 poppet opens, allowing flow from the B port to the A port. If pilot pressure drops while oil is reverse flowing, the poppet shuts due to pressure on the pilot area like any check valve. Various sizes of dampening control orifices control shifting speed of the poppet to help reduce system shock.
Slip-in cartridge directional control valves
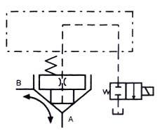
The symbol and cutaway in Figure 4-15 are for a simple 2-way cartridge valve. Most cartridge directional valves have a 1:2 pilot ratio, although a 1:1.1 ratio works better in certain circuits. In either case, pilot pressure equal to the working pressure at port A and/or port B closes the poppet.
From the cutaway view in Figure 4-15, it is plain to see that fluid pressure at port A will push the poppet off its seat and allow flow to port B. Although it is less obvious, fluid pressure at port B will also open the poppet and allow flow to port A. To stop flow in either direction, apply pilot pressure to the pilot area opposite port A. If any pilot pressure generates a closing force equal to the opening force at the A and/or the B ports, the spring bias closes the poppet.
Although slip-in cartridge directional valves appear to be normally closed, they open easily without pilot pressure. A vertically mounted cylinder controlled by slip-in cartridge valves can free-fall when the pump stops and pilot pressure drops. This problem is easy to fix, as will be shown in some later circuits.
The cutaway view in Figure 4-15 shows a plain cover with a pilot passage and a control orifice. (Pilot pressure in this type of valve would come from another solenoid valve or control valve in the circuit.) Control orifices come in a variety of sizes to provide smooth, non-shock movement of the poppet. To control shock even more, add a skirt with V notches to the poppet. Figure 4-23 shows the symbol and cutaway for a cartridge poppet with a V-notched skirt for flow control or dampening function. Different manufacturers have other ways to achieve this dampening effect.
Figure 4-16 shows the symbol for a 1:2 slip-in cartridge with an interface for a solenoid-operated directional valve on the cover. This solenoid valve directly operates the cartridge beneath it. It also can pilot other cartridge valves through drilled passages in the manifold. The single solenoid pilot valve can keep the poppet normally closed or normally open. Figure 4-16 shows a normally closed configuration.
Figure 4-17 shows a double-solenoid, detented pilot operator. The cartridge poppet stays in its last position even with both solenoids de-energized. With this type of solenoid operator there is no need to maintain current on the solenoid after the valve shifts.
Figure 4-18 shows a double-solenoid, spring-centered pilot operator. The center condition of the pilot operator allows the cartridges it pilots to open when both solenoids are de-energized. This could allow a cylinder to relax in case of power failure or when activating the emergency stop.
Conversely, Figure 4-19 has a double-solenoid pilot operator that closes all cartridges when both solenoids are de-energized. The actuator would stop suddenly and be locked in place. This type of pilot operator could cause system shock without some means of decelerating the cylinder.
Slip-in cartridge valves with 1:2 area ratios appear to be normally closed because of the spring inside the poppet. However, one half the pilot area is connected to port A or port B, and pressure at these ports can open the poppet. The only way to keep a slip-in cartridge valve closed is to keep pilot pressure on the pilot area at all times.
Anytime the pump is running, there should be enough pilot pressure to keep a poppet closed. However, when the pump stops or pilot pressure drops for any reason, the poppet may open, allowing an actuator to move. This might cause a safety hazard or machine damage.
The symbol and cutaway in Figure 4-20 are for a cover with an integral shuttle valve. A shuttle valve will take signals from two sources and send the higher pressure signal to the pilot area. At the same time, the shuttle valve will not let either signal pass through to the other signal passage.
The cutaway of the shuttle operator shows that a pilot signal to pilot passage 1 or pilot passage 2 goes to the pilot area, but not out the line with little or no pilot signal. This happens because the shuttle poppet closes the inactive or low-pressure opening and only allows pilot oil from the active or higher-pressure side to flow to the pilot area. Because the area of the shuttle ball is equal to that of both pilot passage ports, the strongest signal always goes to the pilot area. In most applications, this is an important feature.
The vertically mounted, rod-down cylinder shown in Figure 4-21 is holding a heavy weight. This is an example of an over-running load. With standard externally piloted slip-in cartridges, the weight will fall when the pump stops or anytime pilot pressure drops below approximately 275 psi. This is because the 23,000-lb weight, acting on the 40.06 square inches of rod end area, produces a static pressure of 574 psi (23,000/40.06 = 574 psi). This 574 psi would act against half the area of the poppets to push them open. It takes approximately 275 psi on the pilot area plus the spring force to hold the poppets shut. For safety’s sake, change this circuit to one with shuttle-valve covers.
The circuit in Figure 4-22 is the same as above except for a shuttle valve in the cover. One pilot supply is from the pump, while the second pilot supply is from the cylinder’s rod end. While the pump is on and the system is at pressure, pilot supply is from the pump. In case of low or no system pressure, pilot oil comes from the cylinder’s rod end. With the cylinder’s rod end as the pilot source, pressure that is trying to open the poppets on the half area of port A also acts on the pilot areas. Because the pilot areas are twice the A port area, the poppets stay closed. The shuttle valve cover assures there is always pilot pressure on the pilot area when the cylinder is not fully extended.
The symbol and cutaway for a slip-in cartridge valve in Figure 4-22 include a stroke-adjusting screw that limits poppet travel. Restricting flow by limiting poppet movement controls the actuator’s maximum speed. The filled triangle in the poppet symbol shows the skirted or modified poppet that allows smooth flow change as it shifts.
The cutaway in Figure 4-23 shows one design of a slip-in cartridge with a stroke limiter. The cartridge function is identical to any 1:2-ratio poppet except for the limited movement. Restricting the poppet movement makes the cartridge function as a flow control as well as a directional valve.
Figure 4-24 shows the symbol for an adjustable-stroke cartridge valve with a directional control valve cover. This particular valve only comes in a single-solenoid configuration as shown. Also, it cannot pilot other cartridge valves in the manifold. (Figures 4-27 and 4-28 show an adjustable stroke-cartridge in a circuit. These examples also show a problem that can occur when using a stroke limiter as a flow control in a meter-out circuit.)
Figure 4-25 shows the symbol and cutaway for an internal-poppet, orifice-type cartridge valve. The internal poppet orifice supplies pilot oil from the A port only. Standard orifices that meet most needs are available. The internal pilot supply cartridge valve provides a check-valve function without drilling pilot passages in the manifold. As a check valve, it always allows free flow from the B port to the A port and blocks flow from the A port to the B port.
The 2-way cartridge shut-off valve in Figure 4-26 is for high flow systems. This 2-way shut-off might allow pump flow to a circuit as shown in the schematic. Also use a 2-way shut-off to let fluid flow from a large cylinder to tank for rapid advance. Using a normally open solenoid valve in place of the normally closed one shown allows flow through the cartridge valve until the solenoid is energized.
One advantage of the internal-pilot-supply-type cartridge valve is that it is not necessary to keep the pump running to have pilot pressure. This can eliminate a shuttle valve when an over-running load tries to move the cylinder.
The internally piloted slip-in cartridge always controls flow from the A port to the B port. Fluid is free to flow from the B port to the A port because pilot supply comes only from the A port.
When using a stroke-adjusted poppet to meter-out flow from a cylinder with an oversize piston rod, look out for the problem that appears in Figure 4-27. This circuit pictures a horizontal cylinder with a 2:1 rod that needs a meter-out flow control. This is good circuit design for spool-type valves, but when using an adjustable-stroke slip-in cartridge valve, it can cause trouble. This circuit can actually increase the cylinder speed when making an adjustment to slow it.
The circuit in Figure 4-27 shows the valves shifted to extend the cylinder. Flow from the pump is passing through CV3 to the cylinder’s cap end. Oil from the cylinder’s rod end is flowing to tank freely through CV1 because the stroke adjuster is fully open. Pressure gauge PG1 shows a system pressure of 700 psi. Gauge PG2 in the cylinder’s cap line reads 700 psi, and PG3 at the cylinder’s rod line reads 0 psi. The 700-psi reading is from the load’s resistance (the cylinder is moving with no flow restriction). Pilot pressure is always the same as system pressure. Flow to the cylinder’s cap end is 50 gpm and flow from the rod end to tank is 25 gpm.
With the stroke limiter screwed in to restrict tank flow to 12.5 gpm, the conditions shown in Figure 4-28 will prevail. In a normal meter-out circuit with a flow control and a spool-type directional valve, the cylinder speed slows and system pressure increases.
With a cartridge-valve circuit, however, restricting flow from the cylinder’s rod end increases system pressure. Gauges PG1 and PG2 register approximately 1600 psi -- or a little more than twice the non-restricted flow pressure. This is because the load now is being moved by pressure on half the piston area in a regeneration circuit. Gauge PG3, at the cylinder’s rod end, climbs to approximately 1800 psi due to area-ratio intensification.
This intensified pressure acts on the half A port area at CV2, while half the B port area sees system pressure. Pilot pressure on the full pilot area of CV2 is 1600 psi, plus a spring force of, say, 75 psi. If the full pilot area is one square inch, the poppet has a closing force of 1675 lb. The 800-lb opening force on the poppet is generated by 1600 psi on half the area. The opening force on the other half area of the poppet is 900 pounds (1800 psi × ½in.2), making the total opening force 1700 lb. With 1700-lb opening force and 1675-lb closing force, the poppet opens to allow rod-end oil to regenerate to the cap end. Instead of the cylinder slowing to half speed, it moves 150% faster due to regeneration. The more the flow from CV1 to tank decreases, the faster the cylinder extends. Note that restricting flow at CV3 as a meter-in flow-control circuit would allow infinite control of cylinder speed. Another option would be to use a shuttle cover and take pilot pressure from the pump or the cylinder’s rod end. As pressure intensified at the rod end, pilot pressure to CV2 would increase also.
Comparing cartridge types to spool-types
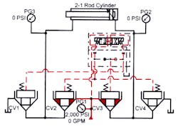
Figure 4-29 pictures a circuit with a 300-gpm pump powering a large-bore, 2:1 rod-diameter cylinder. This is the type of circuit that uses an important feature of slip-in cartridge valves. Flow from the rod end is only 150 gpm as the cylinder extends, but while retracting, flow from the cap end is 600 gpm. A conventional 4-way valve to operate the cylinder in Figure 4-32 must be capable of 600-gpm flow. A 4-way valve with this capacity is large and expensive. Its delivery may involve a long lead time.
Four slip-in cartridge valves can duplicate the function of the 600 gpm 4-way valve. This may sound expensive and inefficient, but with a circuit such as the one in Figure 4-29, it actually is more efficient, less expensive, and saves space.
The cylinder is extending in Figure 4-30, with 300 gpm going to the cap end through CV3. Simultaneously, the rod end of the cylinder is discharging 150 gpm to tank through CV1. With this difference in flow, it costs less and saves space to use cartridges of different sizes. Size the cartridges for nominal pressure drop at their maximum flow.
The cylinder is retracting in Figure 4-31. Flow to the rod end is 300 gpm while flow from the cap end is 600 gpm. For this higher cap-end flow, use a larger cartridge to minimize backpressure. This circuit will have three different-sized cartridges to carry the flow required during each phase of the cycle. Size CV1 for 150 gpm, CV4 for 600 gpm, and CV2 and CV3 for 300 gpm. When using a regeneration circuit, size CV3 for 600-gpm flow also.
The small amount of space taken by the cartridges, plus the lower cost and better availability of the parts make this system superior to one with a spool-type 4-way valve for high flows.
Another advantage of slip-in-type cartridge valves is their short response time. Cartridge poppets do not have land overlaps like spool valves have. Without land overlap there is flow when pilot pressure drops. Also, when the poppet opens, it only moves far enough to allow system flow to pass. When applying pilot pressure again, the poppet closes quickly without the extra travel often seen in spool valves. A spool valve, without stroke limiters, shifts full stroke. This full shifting may be far enough to pass several times the flow required. Then, when the spool starts returning to center, there is extra spool travel just to get back to controlling flow. This does not sound like much but faster response of cartridge valves can shorten cycle time and increase production.
The circuit in Figures 4-29 to 4-32 uses only one pilot control valve. This limits the versatility of the slip-in cartridges. Multiple pilot control valves, shown in the following circuits, make the use of cartridge valves even more attractive.
Slip-in cartridge directional valves on running-away loads
Figures 4-33 to 4-36 show a vertically mounted (rod down) cylinder holding a heavy platen and tooling. This cylinder will run away if oil discharges to tank uncontrolled.
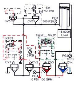
A pressure-control cover (that makes CV6 a counterbalance valve) prevents rapid flow to tank. Cartridges CV1 through CV4 control cylinder flow and direction, and solenoid-operated directional valves shift their positions. Cartridge check valve CV5 bypasses normally closed counterbalance valve CV6 to retract the cylinder. With all solenoids de-energized, the pump unloads to tank through cartridge valves CV3 and CV4. Counterbalance valve CV6 keeps the load from falling at this time.
Figure 4-34 shows valve positions and likely pressures as the cylinder is regenerating forward. Energizing solenoids A1 and B2 closes CV4 and opens CV3, porting pump flow to the cylinder. This action also opens CV2 to allow cylinder’s rod end flow to go through CV3, combine with pump flow, and regenerate the cylinder forward. Counterbalance valve CV6 keeps the forward motion of the cylinder from going faster than the pump and regeneration volume as indicated by the 750 psi seen on gauge PG3. The cylinder is extending rapidly at low or no force.
As the cylinder extends, it makes a limit switch to deenergize solenoid B2. When solenoid B2 drops out, Figure 4-35, pilot pressure closes CV2, while CV1 opens to tank. The cylinder slows to about half the regeneration speed, but is now able to generate full force. Counterbalance CV6 still keeps the cylinder from free-falling as it approaches the work. When the cylinder starts to form a part, pressure increases to whatever it takes to do the work. The cylinder continues extending until it finishes the work stroke.
To retract the cylinder, the valve conditions shown in Figure 4-36 prevail. Energizing solenoids B1 and B2 allows CV2 and CV4 to open, and closes CV1 and CV3. Pump flow now goes to the cylinder’s rod end through cartridge check valve CV5. That bypasses normally closed counterbalance valve CV6. Oil from the cylinder’s cap end goes to tank through cartridge valve CV4.
Any time all solenoids are de-energized, the cylinder stops and holds position. Counterbalance valve CV6 holds the cylinder in place as long as its pressure setting is greater than the load-induced pressure in the cylinder’s rod end.
When sizing the counterbalance valve, be sure to consider the cylinder’s static pressure. Slip-in cartridge valves have high flow capacity at nominal pressure drops. When available pressure drop is high, flow can increase to a point that the counterbalance valve’s response is too slow to stop the cylinder quickly.
Figures 4-37 to 4-40 show cartridge valves controlling a 50-in. cylinder with a 48.75-in. piston rod.
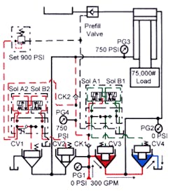
In Figure 4-37 the circuit is at rest with all solenoid valves deenergized. The cylinder maintains its position because load-induced pressure on the CV1 and CV2 pilot areas holds them closed. Pilot pressure reaches the pilot valves through CK1, while CK2 blocks flow to tank. When system pressure is higher than pressure in the cylinder’s rod end, CK2 lets this higher pressure into the pilot circuit. The pump unloads to tank through CV3 and CV4.
The size of CV1 is important, because controlling flow through it sets the cylinder free-fall speed. Size the valve for the pressure drop generated by load-induced pressure. A stroke limiter in CV1 actually sets maximum cylinder extension speed.
Energizing solenoid A1 shifts CV4 closed to block tank flow and leaves CV3 open to send pump flow to the cylinder’s cap end. Figure 4-38 shows the cylinder in a controlled free fall. Energizing solenoid B2 lets CV1 open, while holding CV2 closed. Oil from the cylinder’s rod end now has a path to tank through CV1.
A prefill valve lets oil from the tank into the cylinder’s cap end. The cylinder will advance as fast as the stroke limiter on CV1 allows. Free-fall speed can be in excess of 15 in./sec.
As the cylinder extends in free fall, it contacts a limit switch that de-energizes solenoid B2, Figure 4-39. CV2 remains closed and CV1 tries to close. As CV1 is closing, backpressure on the cylinder’s rod end will build to 900 psi and the pressure control will keep CV1 from fully closing. Because CV1 is restricting flow at 900 psi, the cylinder decelerates and tries to stop. While the cylinder is slowing, decreased vacuum in the cap end lets the pre-fill valve close. After the prefill closes, pump flow forces the cylinder to keep moving and rod-end pressure keeps the pressure control on CV1 open. Deceleration is smooth and rapid. The cylinder continues extending toward the work at the slower pump rate.
Figure 4-40 shows the cylinder at work. Solenoid A1 is still energized and solenoid B2 has been energized again. (Solenoid B2 could be reenergized by a limit switch or by a pressure switch when the cylinder contacts the work.) Energizing solenoid B2 lets CV1 open fully, taking away the 900-psi backpressure that decreases tonnage. The cylinder extends at the force required to do the work (up to relief pressure setting)./>
To retract the cylinder, energize solenoids A2 and B1. Solenoid B2 closes CV3, pilots the pre-fill valve open, and opens CV4 to tank. Solenoid A2 closes CV1 and opens CV2, sending pump flow to the cylinder’s rod end. The cylinder retracts rapidly with most of the cap-end flow going to tank through the pre-fill valve. In case of power failure or emergency stop, the cylinder stays where it is, or if it is moving, it decelerates, stops, and holds its position.









































