Security blast doors locking up
By Robert J. Sheaf, Jr.
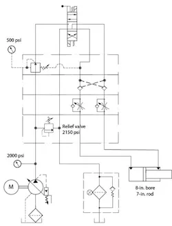
A new hydraulic system for operating large blast doors was installed in a secure government facility. The doors protect the facility’s entrance and normally require a relatively low pressure — just 500 psi maximum — to operate. However, if an emergency occurs, such as an earthquake, the doors must be able to operate at a much higher pressure — up to 2000 psi — to overcome resistive forces from any debris that may be obstructing their path. An engine driven generator provides backup electrical power when the doors operate in their emergency mode. The system’s directional valve is normally actuated electrically. But designers wanted the option of shifting the valve manually and increasing the cylinder force, if necessary. Operators can increase the pressure by adjusting the pressure reducing valve from 500 psi up to a value that will allow the door to push the debris out of the way.
The power unit assembly was located about 50 ft from the door-mounted cylinder. High-pressure hoses — which were 65 ft long and 1-in. — connected the cylinder to the power unit. They needed flexibility in case there was movement of the stone facility during an emergency.
The circuit shown is fairly simple and worked well during start-up. However, if the power unit was left idling with the directional valve in the center position, the door and cylinder would not move when the directional valve was shifted.
The installation crew was made up of pipe fitters and mechanical engineers. They replaced the entire valve stack, down to the sub-plate, and cylinder with spare parts they had on hand, but the system would still lock up if the power unit was left idling.
They observed that both cylinder hoses seemed to be hard, as if they had pressure on them. They also noticed that the reduced pressure gauge reading would slowly build up to pump compensator setting.
Based on the information given, what is the source of the problem?
Robert J. Sheaf Jr., is the founder of Certified Fluid Consultants (CFC) and President of CFC-Solar Inc. CFC-Solar provides technical training, consulting, and field services to any industry using fluid power technology. Visit www.cfc-solar.com for more information.
Mobile Equipment Training Challenges
Individuals that work on mobile equipment often require hydraulic and electrical knowledge beyond that necessary for maintaining equipment in fixed factory settings.
Industries such as energy, mining, construction, rail, waste management, agriculture, and oil and gas are loaded with mobile equipment. If you are faced with finding professional training for your fleet or unique mobile equipment, CFC Solar may be able to help. CFC-Solar is one of the most respected names in the mobile industrial training market with a history of developing training programs that teach individuals how to maintain today’s technically advanced mobile equipment. In addition to product specific training, CFC-Solar has standard training classes developed for the mobile industry that include:
• Level 1 Mobile Hydraulics – In Depth Fundamentals
• Level 2 Mobile Hydraulics – Advanced Maintenance
• Level 3 Mobile Hydraulics – Design and Sizing
• Troubleshooting Mobile Systems using Schematics
• Hydrostatic Closed Loop Systems
• Level 1 Mobile Electrical – Fundamentals
• Level 2 Mobile Electrical – Multiplex Systems
CFC-Solar is also one of the primary training firms in the world that provide Fluid Power Society Mobile Hydraulic Certification. For more information on our services, contact [email protected] or visit www.cfc-solar.com.
| Find the solution The correct answer will be printed on March 1 at fluidpowertalk.blogspot.com and will be published in the next edition of “Troubleshooting Challenge.” Congratulations to Brian Gile, Manufacturing Project Engineer at Caterpillar Inc., who submitted the only correct answer to December’s Challenge. He won a $50 gift card for his solution, which will be donated to the Red Cross. |
| Solution to December’s regen circuit First, the mechanical engineer thought the feedback on the spool of the valve would control the speed of the cylinders at its original velocity. He needed to take into consideration that if he did not close down the spool opening along with the Auto cycle from the PLC command, “regen” would cause the cylinder to extend approximately twice as fast. Proportional valves that don’t use spool feedback have an average hysteresis of ±4% while valves with spool feedback average approximately ±%. Spool feedback simply improves the accuracy of the commanded spool position. In addition to the spool’s position accuracy, any change in the pressure drop across the spool will also change the flow across it. Secondly, the deceleration on the extend circuit needed to be engaged much sooner if the cylinder speed was not lowered to its original velocity taking “regen” into consideration. |




