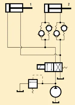
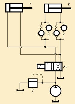
Principios Ingenieriles Básicos: Circuitos de Secuencia
Los circuitos de secuencia son aquellos en los que se mueven varios actuadores en una secuencia predeterminada. A continuación se muestran tres circuitos de secuencia utilizando componentes estándar:
About the Author
Ricardo Solorzano
Director / GM
Ricardo es un Ingeniero Mecánico venezolano, egresado de la Universidad Metropolitana (UNIMET) ubicada en Caracas, Venezuela y cuenta además con una Maestría en Administración de Empresas (MBA) de la Universidad de Clemson en Clemson, SC EE.UU. Empezó su carrera en hidráulica trabajando en el taller de reparación de la entonces Mannesmann Rexroth en Caracas, donde tuvo su primera experiencia con bombas, motores, válvulas, cilindros y unidades de potencia de adentro hacia afuera. Esto le abrió una oportunidad para trabajar como pasante en la central corporativa de Bosch Rexroth en Lohr, Alemania, donde continuó expandiendo sus conocimientos técnicos en áreas diversas: desde el diseño y fabricación de unidades de potencia y bloques de mando, hasta trabajos en ingeniería de aplicación y proyectos en los segmentos de la industria pesada (acero, prensas), petróleo y gas, y departamento de ingeniería civil (hidroeléctricas, esclusas, puentes levadizos, etc.) – para éste momento, ya estaba enamorado de la técnica.
En el año 2004 formalmente se une al equipo Bosch Rexroth, trabajando en lo que es hoy la instalación más grande de unidades de pistones axiales en las Américas, ubicado en Fountain Inn, SC en EE.UU.. En Bosch Rexroth trabajó en posiciones que oscilaron entre compras técnicas, operaciones trabajando en el departamento de calidad y sistemas de calidad, para luego unirse al grupo de ventas regionales del sureste donde fue responsable de ventas e ingeniería de aplicación, trabajando directamente con distribuidores y clientes OEM en la región.
En el 2014, luego de notar las muchas oportunidades en los mercados Latino Americanos en lo que respecta a personal capacitado en técnica de fluidos o hidráulica, la disponibilidad de soluciones confiables, y un servicio al cliente de calidad, decide abrir EEM Technologies: un distribuidor integral en soluciones en hidráulica, específicamente enfocado en los mercados Latinoamericanos.
EEM Technologies es el distribuidor autorizado Aventics para Centroamérica y el Caribe. Para mayor información, contáctelos al (855)462-7633, [email protected] o visite su pagina web en www.eemtechnologies.com.
Ricardo is a Venezuelan native with a BS in Mechanical Engineering from Metropolitana University in Caracas, and an MBA from Clemson University. He began his hydraulics journey by working in the repair shop with the then Mannesmann Rexroth facility in Caracas, Venezuela, where he got a first glimpse of pumps, motors, valves, cylinders, and power units from the inside out. This opened up an opportunity to intern at Bosch Rexroth’s headquarters in Lohr, Germany, where he continued expanding his technical knowledge in areas ranging from power unit and manifold design & manufacturing, to project / application engineering in the heavy industries segment, oil & gas, and civil engineering departments. By this time, he was hooked.
In 2004 he joined what is now Bosch Rexroth’s largest manufacturing campus for axial-piston products in the Americas at their Fountain Inn, S C. facility, in positions that ranged from technical purchasing, through operations in quality and quality systems, to then join the regional sales force with responsibilities in sales and applications engineering, directly working with distributors and OEMs in the region.
In 2014, after noticing the many opportunities in the Latin American markets for fluid power know-how, reliable solutions, and top-of-the-line customer service, he founded EEM Technologies: a full-line distributor of fluid power solutions specifically targeting customers in Latin America.
EEM Technologies is the authorized Aventics distributor for Central America and the Carribean. For more information, contact (855) 462-7633, [email protected], or visit www.eemtechnologies.com.




