Troubleshooting Challenge: Ink Mixing Drum Slows After Startup
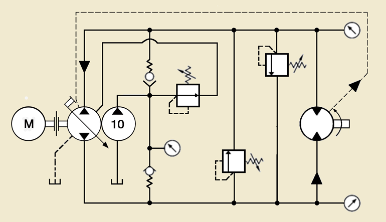
A large manufacturer of colored dies used for ink-jet printers was complaining about a machine’s mixing drum speed slowing down after startup of the system. The machine had a digital readout to indicate when the drum’s speed reached that called for in the recipe. Operators would set a potentiometer to give the correct speed when starting a new batch, but 5 to 10 minutes later, the speed dropped 4 to 6 rpm lower than needed. Because speeds usually need to be around 20 rpm, the drop would amount to a speed 20 to 30% slower than needed.
The drum is driven by a hydrostatic drive pump with displacement controlled by a true torque-motor type servovalve. The maintenance department had it rebuilt, which did not improve the situation. They then had both the pump and motor units tested by a reputable rebuild house and reported the two units met the manufacturer’s requirements.
Any idea what the problem was?
Find the Solution
Think you know the answer to this month’s problem? Submit your solution via e-mail. All correct answers submitted by July 8, 2018 will be entered into a random drawing for a $50 gift card. The winner will be notified, and his or her name will be printed in a future issue. Only one gift card will be awarded to any participant within a calendar year.
Solution to Last Month’s Challenge:
Oil Heater Not Getting the Job Done
The system had problems because its tank heater was generating 45 W/in.2, but hydraulic oil should not be subjected to anything greater than 15 W/in.2 The rebuilder purchased a three-phase 460-V heater, which can also run from 230 V three-phase if wired correctly. The rebuilder did not inform the owner that the heater was ordered as a 460 V unit, so technicians wired it as the original 230 V one. Had they known it was a 460 V unit, they would’ve connected the three heating element wires in a Delta configuration, which would’ve provided one fourth the normal 45 W per in.2, or 10.25 W/in.2 The incorrect wiring caused the heater to overheat the oil, turning it into a carbon solid surrounding the heater elements.
About the Author
Robert Sheaf
President
Robert J. Sheaf Jr., is the founder and president of CFC Industrial Training, formerly Certified Fluid Consultants, part of CFC-Solar Inc. CFC-Solar provides technical training, consulting, and field services to any industry using fluid power technology.

Leaders relevant to this article:


