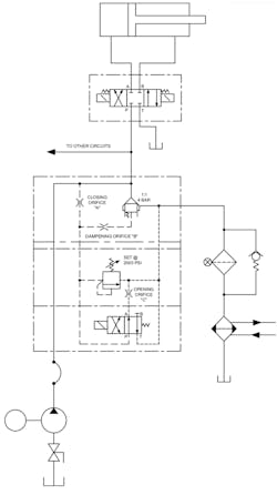
Troubleshooting Challenge: Logic Valve Relief/Unloading Valve Will Not Go to Target Pressure
A customer complained that the pressure on his forging press had slowly deteriorated to the point where the main ram could no longer make good parts.
I asked if the pressure would go to 2,000 psi when another actuator bottomed out without the ram circuit. He replied that he was getting a maximum of 1,200 psi everywhere. So, we had him inspect the main logic relief valve, making sure all three orifices were open. He found the relief spring in good condition, the two-position directional valve was fully shifting when energized, and the relief poppet seemed alright.
The customer did say one of his mechanics had installed a ball valve on the return line between the filter and heat exchanger. He also said he turned it slowly and increased the pressure above 1,200 psi, confirming that the pump was not the cause. Unfortunately, that blew apart the filter assembly. Once the company replaced the filter and relocated the ball valve to the pump outlet, it could get 2,000 psi at the pump with the ball valve partially closed. The customer also noted that the element in the filter housing was missing and had no idea how or when the element was removed.
I told him that he should never test for pressure using a ball valve, and he agreed. (Luckily, no one was injured when the return filter blew off.)
Any idea what could have caused the pressure to slowly deteriorate over time?
What’s the Problem?
Know the answer to this month’s troubleshooting problem? Then email your answer to [email protected] (put July/Aug troubleshooting in the subject line.) Dale Dietel submitted the winning entry for last month’s Challenge. Congratulations, Dale.
Solution to Last Month’s Problem
The pump failure on the conveyor was due to over-pressurization. Large piston pumps can cause large pressure spikes during compensation. A directly operated relief valve should be part of the circuit when there is a small amount of oil between the pump and blocked center directional valve.
The reason the old unit worked well with the same pump was due to the older directional valve having a spool with greater clearances than newer units. A pressure transducer should the momentary pressure spike exceeded 9,000 psi and lasted 15 milli-seconds. The new relief set at about 1,200 psi reduced the spikes to less than 1,700 psi.
About the Author
Robert Sheaf
President
Robert J. Sheaf Jr., is the founder and president of CFC Industrial Training, formerly Certified Fluid Consultants, part of CFC-Solar Inc. CFC-Solar provides technical training, consulting, and field services to any industry using fluid power technology.

