From the foregoing description it should be obvious that when the pump is off and pilot pressure is gone, any load-induced pressure will push the poppets open and running-away loads will run away. (Note that this does not happen with spool valves.) Circuit design is different with slip-in cartridge valves and some of the pitfalls will be discussed later.
Slip-in cartridge valves are held in place by a cover that also contains passages for pilot oil. In addition, the covers may have an interface for directional or pressure control functions. Covers can also have control orifice inserts to retard poppet movement for better control. The plain cover shown in Figure 11-1 would receive a signal from another slip-in cartridge valve with a solenoid-operated valve interface. (A plain cover may serve as a check valve as shown in Figure 11-4.)
The symbol and cutaway view in Figure 11-2 is for a 1:2 slip-in cartridge valve with a single-solenoid directional control valve supplying pilot pressure to the spring side of the poppet. Pilot pressure would be the same as system pressure when the pump is running, so this valve would be normally closed - even with pressure at both ports. Pilot pressure could be blocked and the spring side of the poppet could be open to tank by changing the selector plug location or by using a directional control valve with a P-to-A, B-to-T at-rest condition. The P and T ports connect to pressure and tank in the manifold block through the cover. The A and B ports also go to the manifold block to be connected to other valves as required.
It would take four separate spool-type directional control valves to do what four of the slip-in cartridge valves shown in Figure 11-2 can accomplish. All that is required to change a cartridge valve circuit is to use different selector plug locations or different directional control valves and/or a change in the electric control circuit. Figure 11-3 shows the equivalent spool valve conditions that are possible with different solenoids energized or de-energized.
The directional control valve operator could also be a 2-position detented or a 3-position spring-centered valve according to circuit needs. (Chapter 4 presents symbols of other control valve configurations.)
The slip-in cartridge valve in Figure 11-4 has a drilled pilot line that intersects the A port of the cartridge. Fluid is free to flow from port B to port A, but is blocked when it tries to reverse. Changing the pilot line to communicate with the B port can change this check valve to flow freely from port A to port B.
A single-function check valve can be made with an available orificed poppet. The orifice always communicates with the A port so fluid is free to flow from B to A, but blocked from A to B. The orifice is drilled through the poppet as indicated by the phrase: Orifice in Poppet Here Can Replace Pilot Line.
An orificed poppet can serve other functions. For example, it can be used as a blocking valve controlled by a 2-way pilot valve. The symbol and cutaway view in Figure 11-5 show a slip-in cartridge valve set up as a pilot-operated check valve. A special cover with an integral pilot-operated 3-way valve either delivers fluid to or exhausts fluid from the pilot area. The pilot signal comes from other sources -- such as the circuits shown in Chapter 10.
Fluid entering port A is always free to flow out of port B after its pressure overcomes the spring holding the poppet down. Flow from B to A is blocked until the valve receives a pilot signal. Without such external intervention, a pilot-operated check valve works like any other check valve.
The cover on a pilot-operated check valve has a ball check held on the left seat by a light spring. The ball check traps fluid from the B port, forcing it to hold the poppet down on its full diameter. When there is no pilot signal, there is no flow from port B to port A. The symbol plainly shows this function with the 2-position, 3-way, spring-and-pressure shifted valve held in a position to allow fluid from the B port to hold the poppet closed.
The pilot piston has an area that is three to four times that of the ball check. Thus, a pilot signal that is one quarter to one third the pressure holding the ball check on the left seat will shift it to the right seat to block fluid from the B port. At the same time, fluid trapped behind the poppet is free to go to tank through the drain port. At this point, fluid can freely flow from the B port to the A port with almost no restriction.
A slip-in cartridge valve operating as a pilot-operated check valve has all the circuit problems explained in Chapter 10. The only difference is its physical size and flow capacity.
Another feature that is available on slip-in cartridge valves is the poppet stroke limiter shown in Figure 11-6. A stroke limiter is simply an adjustable screw inside the poppet that can limit the poppet’s travel. The stroke limiter can be used as a non-compensated flow control or a maximum flow limiter on running away loads in certain applications. It works without problems as a meter-in device, but can cause unexpected regeneration as a meter-out device on the rod end of a cylinder with load-induced pressure and/or an oversized rod.
Most slip-in cartridge valves with stroke limiters have poppets with extended noses. These may be tapered or have vee notches cut in them. This type poppet gives a better profile for flow reduction as the poppet moves toward shutoff. For best control of flow, the cartridge should be sized so the poppet travel is maximum.
The valve in Figure 11-6 has a solenoid-operated directional control valve interface. The stroke limiter also can come in a plain-cover model.
The cutaway and symbol in Figure 11-7 show how a shuttle valve works. Its simplest form contains a free-floating ball that can seal ports to the right or left to block flow from the opposite side. A pilot signal from the right or left always exits from the top -- never from the opposite port. If a shuttle valve receives two signals, it will always pass the highest one. Different pressures on equal areas always move the blocking device toward the lower pressure.
Figure 11-7 shows a slip-in cartridge valve cover with a built-in shuttle valve that can accept fluid from two sources and send it to the pilot area of the poppet. The cover may have an interface for a directional valve (as shown), or it can be a plain type.
Because pump pressure is normally higher than load-induced pressure, pilot pressure to the poppet would be from the pump at port In 1. The cylinder’s load in Figure 11-7 would drop when the pump was shut down if not for the load-induced pressure going to port In 2. At pump shutdown, the shuttle ball shifts to the left (as shown) and the load-induced pilot pressure holds the poppet shut and the cylinder stationery.
Pilot pressure could come from any source, but in the case of a loaded cylinder the most reliable place is the cylinder itself. This pilot pressure would not be suitable for other functions because the cylinder may be in a position where load-induced pressure does not exist.
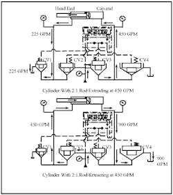
The circuit in Figure11-8 shows why it is less expensive to use slip-in cartridge valves to power an actuator requiring high flow. This circuit uses a cylinder with a 2:1 rod-area differential. Assume the application calls for 450 gpm. With the cylinder extending with 450 gpm entering the cap end, only 225 gpm exits from the head end.
Conversely, while retracting at 450 gpm, 900 gpm exits from the cap end. Without special circuit design, a spool valve to cycle this cylinder would have to be capable of handling 900 gpm -- the high flow from the cap end. A spool valve with this flow capacity would be very large and expensive.
Note that the circuit in Figure 11-8 incorporates three different sizes of slip-in cartridge valves. Small cartridge CV at the cylinder head end handles the 225-gpm tank flow, medium-size cartridges CV2 and CV3 handle the 450 -gpm pump flow to both ends, and large cartridge CV4 at the cap end returns 900 gpm to tank. Each slip-in cartridge valve is sized to handle the flow it sees at a 50- to 75-psi pressure drop. These four standard cartridges, the manifold to contain them, and the directional control valve or valves to control them would cost less than half what a 900-gpm spool-type directional control valve would cost.
A 1:2 area ratio is the most common slip-in cartridge valve design and fits more than 90% of all circuits. To meet some special requirements, there is also a 1:1.1 area ratio poppet shown in Figure 11-9. With this cartridge valve, area at the A port is 90% and area at the B port is 10% of poppet area. With these area ratios, fluid entering the A port flows at a much lower pressure drop than fluid entering the B port. Another way of saying this is it takes just 10% as much pressure to flow from A to B as it does to flow from B to A.
Cartridge valves to control pressure
For pressure-control cartridge valves, the poppet has an area ratio of 1:1. This means flow can only go from the A port to the B port. A 1:1 area ratio makes the valve stable when controlling flow at pressure. Notice that the poppet is straight sided and sits on a tapered seat.
The valve pictured in Figure 11-11 also can perform as a counterbalance valve. Counterbalance valves can be internally or externally piloted but they usually are internally drained. Chapter 14 discusses sequence and counterbalance valves in detail and shows why pilot and drain functions are not always the same. Without exception, counterbalance valve circuits must have reverse flow so they always need a bypass check valve.
To add an unloading valve function to a cartridge valve, a special cover is required. The symbol and cutaway view in Figure 11-12 show the setup for an unloading valve that could be used for a hi-lo pump circuit. Chapter 9 provides a complete explanation of unloading valves.
An unloading valve is similar to -- and functions just like -- a relief valve if the unloading port were not connected. Pressure would build enough to push the ball against the adjustable spring; then all excess pump flow would go to tank at set pressure. The addition of the unloading piston makes it possible to move the ball back far enough so that all pressure on top of the 1:1 poppet drops off. The valve then opens pump flow to tank at 30 to 50 psi. Pressure to the unloading port usually comes from a high-pressure pump. This keeps a high-volume pump unloaded during the work stroke.
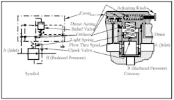
The last of the pressure-control valves is the reducing valve. Unlike the other four pressure controls, a reducing valve is normally open instead of normally closed. The valve also is the one slip-in cartridge valve design that does not use a poppet to block fluid. Slip-in cartridge reducing valves are similar to in-line and subplate-mounted valves except that they have higher flow capabilities.
The symbol and cutaway view in Figure11-13 show a common construction for pilot-operated slip-in cartridge reducing valves. Notice the symbol for the cartridge is the standard ANSI-ISO drawing for any reducing valve. A cover containing a direct-acting relief valve sets the pressure. As fluid enters port A, it is free to go directly out port B . When outlet flow meets resistance, pressure starts to build and goes to the inlet of the direct-acting relief valve. The flow path is directly from ports A and B through the check valve. When pressure reaches the direct-acting relief valve setting, fluid starts to flow slowly through the valve. Flow increases as pressure continues to increase. At set pressure, flow through the direct-acting relief valve exceeds flow through the orifices. At that point, pressure on top of the flow-through spool drops. When this pressure drops enough, the spool raises and restricts outlet flow at set pressure. Flow never shuts off completely because flow from the reduced pressure is always going to tank through the direct-acting relief valve. When pressure at the outlet drops, the direct-acting relief valve closes and forces the passage through the spool to reopen.











