CHAPTER 13: Flow Controls and Flow Dividers
It is necessary in many applications to vary the speed of an actuator. One method of controlling an actuator’s speed is by using a variable-displacement pump. This works well for a circuit with a single actuator or in multi-actuator circuits where only one actuator moves at a time. However, most circuits that need actuator-speed control have multiple actuators, and some of them operate simultaneously. For most circuits, a variable orifice, called a needle valve or flow control. Fixed orifices may be used in some cases.
Flow-control valves
A non-compensated flow control passes more or less fluid as pressure increases and decreases. This is because more fluid can pass through a certain size orifice when pressure drop across the orifice increases. Figure 13-1 shows non-compensated flow devices in symbol and cutaway form. At the top are non-compensated fixed-orifice inline flow controls for tamper-proof applications. These can be purchased as in-line valves or they could be a drilled plug or insert located in a pipe fitting or valve port.
Flow through standard orifices is affected by viscosity changes in the fluid, while flow through knife-edge (or sharp-edge) orifices changes very little when fluid viscosity changes from thin to thick. A knife-edge orifice is the style used on most valves that are designated as temperature compensated. (A classic example of a non-compensated fixed orifice with a bypass check is the orificed check valve shown in Figure 10-2.)
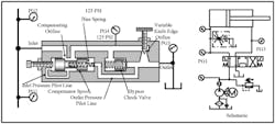
Pressure-compensated flow control valves are used with actuators that must move at a constant rate, regardless of pressure. A pressure-compensated flow control cutaway view and symbols depicted in Figure 13-2. The needle valve section of a pressure-compensated flow control is the same as any flow control. The difference is the addition of a compensator spool that can move to restrict Inlet flow at the compensating orifice. The compensator spool is held open by a 100- to 150-psi bias spring that sets pressure drop across the knife-edge orifice.
Flow from the inlet goes through the compensating orifice, past the compensator spool, and out through the knife-edge orifice. A drilled passage ports Inlet fluid to the right end of the compensator spool, which forces the spool to the left when pressure tries to go above 100 to 150 psi at gauge PG01. After pressure reaches or goes above 100 to 150 psi, the compensator spool moves to the left and restricts flow to the knife-edge orifice flow control. Pressure at gauge PG01 never goes above 100 to 150 psi (plus any backpressure at the outlet). Pressure at the outlet is ported to the bias-spring chamber and increases the spring force. The compensator spool assures that pressure drop across the knife-edge orifice flow control stays at a constant 100 to 150 psi. With a constant pressure drop, flow stays the same regardless of inlet or outlet fluctuations.
Pressure-compensated flow controls are four to eight times more expensive than standard controls so they should only be applied to actuators that must move consistently.
The no-jump option is an adjusting screw that holds the compensator spool within a few tenths of an inch of its operating position. This is an especially important option when the valve is oversize for the present flow setting. A compensator spool without a stroke limiter may close and open violently until it stabilizes and sets pressure drop for the orifice. During this time the actuator also moves erratically.
The two symbols represent the American National Standards Institute (ANSI) and the International Standards Organization (ISO) way of indicating that the valve is pressure compensated. The arrow indicating pressure compensation is easier to distinguish in the ANSI symbol — especially when the schematic drawing has been reduced to fit into a machine's documentation book.
Three-port flow control valves are mainly used in fixed-volume pump circuits to save energy. (See the load-sensing pump circuit explained in Chapter 8.) If 20 gpm of fluid enters the Inlet and the flow control is set at 12 gpm, 8 gpm goes to tank as wasted energy. With a conventional relief valve setup, pressure between the pump and flow control would be maximum. With the 3-port flow control, pressure in this portion of the circuit is whatever it takes to move the actuator plus bias-spring force. (Bias-spring force is usually 70 to 125 lb.) An outlet pressure of 200 psi gives a pressure of 270 psi between the pump and the flow control. All fluid going to tank is discharged at 270 psi, not 2000 psi. This takes place because the sensing line sends feedback to the pressure-control side of the relief valve, allowing it to open at load pressure plus bias-spring force. Pressure between the pump and flow control constantly changes with load variations. When the load requires more than the maximum-pressure adjustment setting, the relief valve opens and sends all pump flow to tank at maximum pressure.
A 3-port flow control is only effective with one actuator — or one actuator at a time. It would not be useful on a pressure-compensated pump circuit because a load-sensing circuit for this type pump would save even more energy. (See Chapter 8 for a load-sensing circuit with a pressure-compensated pump.)
The armature controls a small normally closed poppet and shifts the signaled amount to let fluid behind the pilot-to-close poppet leave faster than the pilot passage can supply it. This causes a pressure imbalance that lets the pilot-to-close poppet open enough to give the correct fluid flow. The flow rate is infinitely variable and can be controlled from a variety of inputs.
The cutaway and symbol in Figure 13-4 represents a valve that opens from a given signal but may not always repeat a set flow from the same input. The feedback LVDT added to the valve in Figure 13-5 assures that the pilot-to-close poppet always shifts the same amount so it has the same size flow opening. However, pressure or viscosity changes still affect actual flow, so a hydrostat is necessary when exact flow repeatability is required. Many manufacturers make valves with a built-in hydrostat for pressure compensation.
Meter-in flow control circuits
Figure 13-6 provides a schematic drawing of a meter-In flow control circuit restricting fluid as it enters an actuator port. Meter-in circuits work well with hydraulic fluids, but can give erratic action with air. Note that the cylinder is horizontally mounted, which makes it a resistive load. Meter-in flow controls only work on resistive loads because a running-away load can move the actuator faster than the circuit can fill it with fluid.
The left-hand circuit in Figure 13-6 is shown at rest with the pump running. Notice that the check valves in the flow controls force fluid through the orifices as it enters the cylinder and lets fluid bypass them as it leaves.
The right-hand circuit depicts conditions as the cylinder extends. The directional control valve shifts to straight arrows and pump flow passes through the left-hand flow control to the cylinder cap end at a controlled rate. Fluid leaving the cylinder rod end flows to tank without restriction. The cylinder extends at a reduced speed (in a hydraulic circuit) until it meets a resistance it can’t overcome or it bottoms out. With the non-compensated valve shown, speed can vary as pressure fluctuates or viscosity changes.
While the cylinder is in motion, pressure at PG1 reads the setting of the relief valve or pump compensator. The pressure at PG2 reads whatever it takes to move the load at any point in the cycle. Pressures at PG3 and PG4 only read tank-line backpressure as the cylinder extends.
It is obvious that if the cylinder had an external force pulling on it, it would extend rapidly. Because fluid enters the cap end at a reduced flow rate, a vacuum void would form there until the pump had time to fill it.
Meter-in flow controls can have a problem in pneumatic circuits. When fluid is directed to the cylinder cap end, pressure at PG1 immediately rises to the regulator setting. However, pressure at PG2 starts at zero and increases slowly. Until pressure at PG2 rises enough to generate breakaway force, the cylinder does not move. At breakaway pressure, the cylinder extends quickly and expanding air may cause it to lunge. Often, the lunge forward moves the piston ahead of the incoming air and pressure drops back below the breakaway level so the piston stops. Pressure starts to build again and the lunge/stop scenario continues to the end of stroke. The meter-out circuit discussed next is always the best choice to control air cylinders.
The circuits in Figure 13-7 show applications where a meter-in circuit is the only choice for both pneumatics and hydraulics. On the left in Figure 13-7, a single-acting pneumatic cylinder is mounted with the rod vertically up. The only way to control extension speed is via a meter-in flow control. When retraction speed must be controlled as well, a meter-out flow control also is necessary.
The cylinder pictured on the right in Figure 13-7 is extending to perform an operation prior to retracting or starting the cycle of another actuator. A signal to continue the cycle can come from a pressure switch or a sequence valve. Either of these devices can be set to give an output at any pressure. Usually they are set 50 to 150 psi below system operating pressure for hydraulics, or 5 to 15 psi lower for air. The reason for meter-in flow control is that pressure between the flow control and the cylinder normally stays low until the cylinder contacts the workpiece. At work contact, the resulting pressure buildup switches these pressure-actuated devices and starts the next sequence. Always remember: a pressure switch or sequence valve does not directly indicate that the actuator has reached a physical position. They only indicate that pressure has reached a predetermined setting . . . not why it has.
Other circuits that require meter-in flow controls are the load-sensing pump circuits in Chapter 8.
Meter-out flow control circuits
Figure 13-8 shows a schematic drawing of a meter-out flow control circuit that restricts fluid as it leaves an actuator port. Meter-out circuits work well with both hydraulic and pneumatic actuators. Cylinder-mounting attitude is not important because outlet flow is restricted and an actuator cannot run away. Meter-out flow controls work on resistive loads or running away loads because the actuator can never move faster than the fluid leaving it allows.
The left-hand circuit in Figure 13-8 is shown at rest with the pump running. Notice how the check valves in the flow controls allow fluid to bypass the orifices and freely enter the cylinder. As fluid leaves the cylinder, it is forced through the orifices at a set rate. The only gauge showing pressure is PG3 because the load on the cylinder rod is inducing pressure at the valve’s blocked port.
The right-hand circuit shows conditions when the cylinder is extending. The directional control valve shifts to straight arrows and pump flow bypasses the upper flow control to go to the cylinder cap end. Fluid leaving the cylinder rod end is held back before it goes to tank -- even with an external load trying to move it. The cylinder extends at a reduced speed in both hydraulic and pneumatic circuits until it meets a resistance it can’t overcome or it bottoms out. With the non-compensated valve shown, speed can vary as pressure fluctuates or viscosity changes in a hydraulic system. (There are no pressure-compensated flow controls for pneumatic circuits.)
While the cylinder is in motion, gauges PG1 and PG2 read the relief valve or pump compensator setting. Gauge PG4 reads tank backpressure. Gauge PG3 reads load-induced pressure plus the pressure from cap-area-to-rod-area intensification. This intensified pressure could be 1.2 to 2 times the cap-end pressure, or higher, depending on the rod size.
Meter-out flow controls work equally well in pneumatic circuits when the load is constant. Changing loads can cause the actuator to stop and/or lunge under certain circumstances. (For a more extensive coverage of flow control circuits and situations that can arise with them, see our second e-book entitled "Fluid Power Circuits Explained," which will be launched on hydraulicspneumatics.com in the coming months.
Bleed-off flow control circuits
Bleed-off flow control circuits are found only in hydraulic systems and normally only in those with fixed-volume pumps. There is little or no advantage to using this type flow control with pressure-compensated pumps. Figure 13-9 shows a bleed-off circuit at rest with the pump running. A needle valve’s inlet is teed into a line going to the cylinder and its outlet is connected to tank. The circuit only works with one actuator moving at a time because all pump flow goes to the presently operating function. Like a meter-in circuit, it only works with resistive loads because it controls fluid into the actuator. The main plus for this type speed control is it saves energy while using a fixed-volume pump with low-pressure travel forces.
When the directional valve in Figure 13-9 shifts, all pump flow passes through it and toward the actuator. On the way to the actuator, part of the flow is bled off to tank, so the actuator does not reach full speed. Pressure at PG1 only rises to whatever it takes to move the actuator and its load, so excess flow goes to tank at low pressure. (When using a fixed-volume pump and a meter-in or meter-out circuit, excess flow also goes to tank, but at relief valve pressure.) Many circuits only perform work at the end of stroke so this flow control system saves energy while the actuator moves to and from the work position, yet still gives good speed control.
Some words of caution:
- Pressure in the actuator during traverse time must be higher than the pressure in the path to tank, so fluid will flow to tank.
- Because pressure may change during traverse time (especially when the actuator contacts the workpiece), use a pressure-compensated needle valve so flow to tank remains constant.
- Even with a pressure-compensated needle valve, actuator speed will be inconsistent. Pump and/or actuator efficiency allows bypass that directly affects flow to the actuator not bleed-off to tank.
Pressure-compensated flow control valve applications
When pressure drop across an orifice changes, flow through the orifice also changes. As pressure drop increases, flow increases, and as pressure drop decreases, flow decreases. Because of this fact, if pressure drop across an orifice were constant, regardless of upstream and downstream pressure fluctuations, then flow through it would stay the same. A pressure-compensated flow control valve (such as the one shown in Figure 13-2) automatically maintains a constant pressure drop across the orifice. There is a short discussion on pressure-compensated flow control valves on page 13-1, but a valve in cutaway form is applied to a bleed-off circuit in Figure 13-10.
In the bleed-off circuit, fluid from the directional control valve is sent to the cylinder to start it extending. Because the circuit has a fixed-volume pump and needs speed control, a bleed-off flow control is used to save energy. Instead of controlling flow to or from the actuator, excess flow is bled to tank across a pressure-compensated flow control at whatever pressure it takes to move the fluid. A meter-in or meter-out flow control circuit would send excess flow to tank across the relief valve at maximum pressure – wasting a lot more energy.
The reason for using a pressure-compensated flow control is that pressure will fluctuate as the actuator moves toward the work piece and the flow to tank from a non-compensated flow control would change continuously. As a result, actuator speed could vary considerably while it moves. With a pressure-compensated flow control, flow to tank is constant, but actuator speed could still change due to pump efficiency as pressure increases or decreases. Any speed change from pump efficiency is present but practically imperceptible.
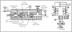
In the Figure 10-13 circuit, a 10-gpm pump sends 7 gpm to the cylinder and 3 gpm to tank. Fluid entering the pressure-compensated flow control passes by the compensator spool and flows on to the variable knife-edge orifice, which is set at 3 gpm. The variable knife-edge orifice restricts flow and creates backpressure in the incoming fluid. When backpressure reaches (and attempts to exceed) 125 psi, fluid in the inlet-pressure pilot line forces the compensator spool to the right. This restricts flow at the compensating orifice. After the compensator spool settles in at its 125-psi bias-spring setting, pressure at PG3 reaches 125 psi and stays there. This means that pressure drop across the variable knife-edge orifice is 125 psi. As the cylinder continues to move and pressure at PG1 and PG2 increases or decreases, pressure at PG4 stays at 125 psi and flow is constant. The cylinder moves at the same speed whether pressure is at or above 125 psi, and as much as 125 psi below the maximum pressure setting.
Figure 13-11 shows a pressure-compensated flow control in a meter-in circuit. Fluid from the valve enters the flow control and is restricted. Backpressure from restricted flow goes through the inlet-pressure pilot line and shifts the compensator spool to the right, restricting flow to the variable knife-edge orifice. Backpressure from cylinder resistance acts on the right end of the compensator spool through the outlet-pressure pilot line and adds to the 125-psi bias-spring force. This action and interaction always keeps pressure 125 psi higher at PG5 than at PG2. A constant pressure drop across the orifice maintains a constant flow to the cylinder.
Figure 13-12 shows a pressure-compensated flow control in a meter-out circuit. Fluid from the cylinder rod end enters the pressure-compensated flow control and is restricted at the variable knife-edge orifice. Backpressure through the inlet-pressure pilot line shifts the compensator spool to the right and restricts flow to the variable knife-edge orifice. Pressure at PG5 settles in at 125 psi and flow stays the same across the variable knife-edge orifice. Any backpressure from tank flow adds to the 125-psi bias-spring force and increases pressure at PG5 so it always stays 125 psi above PG4.
Pressure-compensated flow control valves are as much as five times more expensive than non-compensated models, so they should not be specified when accurate flow control is not required.
Changes in fluid viscosity also cause flow fluctuations. Thick fluid flows more slowly than thin fluid. A flow control valve without temperature compensation allows varying flow from cool oil at startup to oil running at normal or high temperature. The most common fix for viscosity variations is to use a knife-edge orifice. Knife-edge orifices have no flats to slow fluid flow, so they produce little change in flow between thick and thin fluids. Other devices to obtain constant flow with viscosity variations are available, but they can be complex and may cause malfunctions.
A flow control in a hydraulic circuit always generates heat. Some pump and flow control combinations produce a lot more heat and should be avoided if possible. The following examples show different pump and flow control combinations and suggest how much heat can be expected.
The fixed-volume pump and meter-in or meter-out flow control combination in Figure 13-13 is the worst-case situation. The example shows a cylinder stroking to the workpiece with flow controls set at 3 gpm. A 10-gpm pump driven by a 5-hp electric motor powers the circuit. Because it only takes 100 psi to move the cylinder while traversing, a lot of heat-generating energy is wasted. This example is somewhat exaggerated, but is not at all unheard of. Note the example only shows energy wasted on the extension stroke. With a reduced-speed retraction stroke, heat generation could almost double the figures shown.
The main generator of heat is the excess pump flow going across the relief valve at 1000 psi. The two circuits in Figure 13-14 show how to eliminate such wasted energy with a different flow control circuit or a different pump. While the energy wasted across the flow control valve is much less at these low flows, it still adds heat to a system. Also, the amount of pressure drop may be lower than indicated here because some actuators require more pressure to move them to and from the workpiece. Energy loss across a flow control cannot be eliminated. The amount of loss depends on pressure drop and flow rate across the orifice.
The circuits in Figure 13-14 show a fixed-volume pump with a bleed-off circuit and a pressure-compensated pump with a meter-in circuit. Both of these combinations save a lot of energy (although not as much as the load-sensing circuit that was shown in Figure 8-27). This type of flow control circuit wastes the least energy possible when using flow controls for speed control.
Fluid flow dividers
The flow divider in Figure 13-15 is called a priority flow divider because it splits pump flow into a fixed controlled-flow (CF) outlet and sends excess fluid out an excess flow (EF) port. Volume orifices (drilled as specified by the purchaser) preset fluid flow out of the CF port. EF flow is any flow the pump produces over and above the controlled flow. This type flow divider is often used on vehicle power steering, where an engine-driven pump’s output may vary as rpm changes or as its flow is used for other functions. A priority flow divider assures that the power steering always has ample fluid at any engine speed or when other functions are active.
As fluid enters the valve, the path of least resistance leads through the controlled-flow-volume orifices and out port CF. If pump flow is more than the volume orifices can pass, pressure builds on the right end of the flow-control spool through the excess-flow pilot line. When pressure rises enough to overcome the bias spring and any backpressure from the steering circuit, the flow-control spool moves to the left, just enough to let excess flow exit through port EF. Excess flow changes as pump flow varies, but flow to port CF takes priority. A relief valve in port CF can be set for any pressure and has no affect on pressure at port EF. The controlled-flow relief valve is required even when maximum pressure is the same for both outlets.
Notice that controlled flow is pressure compensated. As pressure builds at port CF, it pushes back against the excess-flow pilot-pressure pilot to maintain a constant pressure drop across the volume orifices.
Priority flow dividers are also manufactured with adjustable flow for the priority port and without a relief valve for circuits that already have one. (The symbol shown is borrowed from a manufacturer's catalog because there is no standard symbol in ANSI or ISO literature.)
The flow divider in Figure 13-16 is a spool-type divider that splits flow at any predetermined rate according to the sizes of the drilled orifices. It is usually set up with identical orifice sizes for a 50-50 split. This particular design does not allow reverse flow, so bypass check valves are required when flow must return the same way it entered.
Fluid entering the Inlet port goes left and right through orifices, then out outlets 1 and 2. When either outlet encounters more backpressure than the other does, the high-pressure side forces the spool towards the low-pressure side until pressures on both sides equalize. Equal pressure drop across both orifices produces equal flow. (Most manufacturers specify flow equality at ±5%.) Pressure differences at the two outlets should be low because Inlet pressure always equals the highest outlet pressure -- which means pressure drop across the low-pressure outlet wastes energy.
Spool-type flow dividers only split flow. When more than two outlets are required, dividers must be used in series. A 50-50 split divider flowing into two more 50-50 dividers gives four equal outlets. A 66-33 divider into a 50-50 divider gives three equal outlets. The flow divider/combiner in Figure 13-17 equalizes flow in both directions. It can be used with double-acting actuators to synchronize speed in both directions of travel. The spool in this divider is made in two sections with a connecting link that allows the sections to move together in the closed condition (as shown) for combining, or be spread by Inlet pressure when they are dividing. Springs at both ends of the spool keep the sections together when pressure equalizes or is not present. Inlet orifices set nominal flow, while outlet orifices control flow to or from an actuator.
Flow to the inlet-return port goes through the inlet orifices to split into two equal parts. Pressure drop across the orifices causes the split spool to separate so the outlet orifices are working at the outer edge of the outlet-return ports. When unequal pressures on its ends shift the spool, flow is retarded to the low-pressure outlet port to keep it from receiving too much fluid. When the actuator reverses, flow into the outlet-return ports goes through the outlet orifices and on through the inlet orifices, causing the spool sections to come together. Now the outlet orifices control return flow on the inner edge of the outlet-return ports. They will retard flow from any actuator port that is trying to run ahead.
Rotary flow dividers
A rotary (motor-type) flow divider is constructed from two or more hydraulic motors — in a common housing — with a common shaft running through one set of gears on all motor sets. There is a common Inlet to all motors and separate outlets. The motors are usually gear-on-gear or gerotor design. Flow split is commonly 50-50 but many outlet flow combinations are possible by changing gear or gerotor widths.
The cutaway view and symbol in Figure 13-18 pictures a 2-outlet 50-50 split gear-motor-type flow divider. (There is no ISO or ANSI symbol for a motor flow divider so the one shown in the figure is from a supplier’s catalog.) One gear from each motor set is keyed to the common shaft, so both motors must turn at the same rate. If one motor stalls, they both stop because of the common-shaft arrangement. Due to internal clearances in the motor elements, there is some bypass flow that does not turn the motors. As a result, the outlet flows are not always exactly equal . . . especially at high outlet-pressure differences.
From Figure 13-18, it should be obvious that this flow divider does not have a priority side like a spool-type flow divider does. Thus, when Inlet flow changes, it is always split equally. The main advantage of motor-type over spool-type flow dividers is there is less wasted energy when the outlets are not at or near the same pressure. If pressure at the right outlet was 1500 psi and pressure at the left outlet was 300 psi, pressure at the inlet would be 900 psi. Pressure at the inlet is always the average of the sum of the outlets.
This feature can be an asset or a problem. If one outlet meets resistance while the other is flowing to tank, an inlet pressure of 2000 psi can result in the pressurized outlet intensifying to 4000 psi. If pressure that high cannot be tolerated, a relief valve must be installed at the outlets. On the other hand, intensification can allow a 1000-psi system to produce 2000 psi to perform work -- similar to a hi-lo pump circuit. Note that while pressure doubles, flow is halved through the high-pressure outlet.
Looking at Figure 13-18, it appears the motor flow divider is also a combiner. This is partially true. The circuit in Figure 13-19 shows a motor flow divider synchronizing two hydraulic motors. As the motors turn in right-hand rotation, they stay almost perfectly synchronized. Pressure to each motor may vary but flow from each flow-divider outlet remains near constant. If the directional control valve shifts to turn the motors in left-hand rotation, the flow divider may get equal flow and the hydraulic motors may stay synchronized. However, if one hydraulic motor meets more resistance than it can overcome and stalls, all pump flow goes to the running hydraulic motor. The second motor then turns twice as fast. During this scenario, one flow-divider motor overspeeds while the opposite one cavitates. The only way to make sure both hydraulic motors stay synchronized in both directions of rotation is to install motor flow dividers at both valve ports.
Spool and motor flow dividers work reasonably well to synchronize circuits with hydraulic motors and cylinders. However, because both devices do not divide flow perfectly, the actuators they control will not stay perfectly synchronized. A high-pressure difference at the divider's outlets is the worst problem; it can allow a 5 to 10% lag in actuator position. This means that synchronizing circuits using flow dividers often require some type of re-synchronizing valving to realign the actuators more exactly when they stop at home position. (Due to internal bypass, actuators with short cycles may re-synchronize themselves because the error is small.)
Another design consideration is the intensification of pressure at the outlets of a motor flow divider. The circuit in Figure 13-20 has two cylinders that are synchronized by a motor flow divider. Because this circuit operates at 2000 psi, it is possible that pressure at one cylinder could reach as much as 4000 psi due to intensification. Intensification occurs when one cylinder is lightly loaded or has no load and the other one is loaded heavily. In Figure 13-19, the load is shifted to one side of the platen -- making the right-hand cylinder do all the work. Inlet pressure is at 2000 psi and the cylinders are stalled. Pressure at the lightly loaded left-hand cylinder is 250 psi, so pressure at the right-hand cylinder is 3750 psi. The intensification is due to energy transfer through the motors in the flow divider. Because inlet pressure for both motors is 2000 psi, the unused 1750 psi from the left side is transmitted through the common shaft and drives the opposite motor to 3750 psi. (For other flow-divider circuits. see the author’s book, “Fluid Power Circuits Explained,” available through the same outlet for this manual.)
Most flow control functions are available as modular or sandwich valves that mount between directional control valves and a subplate. Figure 13-21 shows most of the common configurations presently offered by fluid power suppliers. Although the symbols show non-compensated flow controls, most configurations also are available with pressure-compensated flow controls. Where a needle valve is shown, a flow control with bypass may actually be installed. This is not a problem because there is never a reason for flow reversal. Figure 13-21 also shows two modular flow dividers that are available from one supplier. These modules are usually available in all valve sizes up to D08 (¾-in. ports).





















