HyQ, the hydraulically actuated quadruped, is a responsive, running, jumping robot designed by researchers at the Institute Italiano di Tecnologia. Hydraulic cylinders at the leg joints generate torque for movement and produce high load-bearing capability and impact resilience. A broad bandwidth for hydraulic actuation is provided by high-performance, compact E024-LA mini servo valves supplied by Moog Industrial Group.
Click here to see a video of the robot in action as it walks over obstacles, climbs stairs, trots, and even remains upright after being slammed by a heavy weight.
Originally used in F1 race cars, the E024-LA servo valve is powerful and lightweight, weighing only 5.25 ounces and supplying a maximum pressure of 3000 psi. The E024-LA servo valves provide high bandwidth of 250 Hz for hydraulic liquid flowrate. Paired with the high bandwidth servo valves, the naturally high hydraulic stiffness gives a broader range for torque control, a high frequency response, and rigidity/elasticity modulation for the limbs.
Researchers at IIT chose a hydroelectric design for the HyQ to meet the robot’s design requirements. While the HyQ is able to demonstrate quasi-static movements such as walking or climbing, it is also able to perform highly dynamic and impactful movements like trotting, running, and jumping without breaking or falling over in the process. This requires robustness and high capacity for severe loading of the actuation system. Lastly, the HyQ fulfills both previous requirements in rugged terrain and random environments, where obstacles may obstruct the HyQ’s route of travel. This requires a reliable feedforward signal, or pre-calculated signal, to predict the robot’s next movement. It also requires effective feedback for torque regulation.
Hydroelectric actuation provides higher torque and better torque control than the high-gear-ratio electronics that are commonly used in robotics. Unlike hydraulics, electronic gear systems are more likely to break under impact or high loading and are not suited for robots like HyQ that need to be robust or produce a high torque for dynamic movements. Electronic systems require several gears for precise torque control and can be bulky and rigid.
The fast-acting E024-LA servo valves are ideal for quick changes in direction or leg movement. The compactness of the hydraulic system and the convenience of a single reservoir to all actuators allow room for other features like motion and inertia sensors.
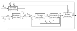
The HyQ’s movements are torque-controlled. Figure 2 shows the torque control schematic containing an outer position loop and an inner torque loop. Inverse-dynamic feedforward torque is the primary input to the inner torque loop in the control scheme. Feedforward torque is pre-calculated using rigid-body inverse dynamics and is used to predict the robot’s next movement. Positional negative feedback is used to regulate torque when an obstacle occurs, but at a low gain so that the robot does not retract or stop when it encounters an obstacle.
Torque inputs from positional feedback and dynamic data are directed to the inner torque loop (Figure 2) for further processing. A torque controller receives these inputs, processes them, and then commands the Moog E024-LA mini servo valve to increase or decrease fluid pressure in the cylinders. The resulting torque generated by the cylinders generates feedback to the torque controller for further modification; the torque control system not only responds to feedforward inverse dynamics calculations or feedback position control, but also to the hydraulic feedback of the robot.
About the Author
Leah Scully
Associate Content Producer
Leah Scully is a graduate of The College of New Jersey. She has a BS degree in Biomedical Engineering with a mechanical specialization. Leah is responsible for Hydraulics & Pneumatics’ news items and product galleries.


