An Alternative to Displacement Controls
This file type includes high resolution graphics and schematics when applicable.
Displacement control in a hydraulic system often relies on the performance and efficiency of a variable-displacement pump across a wide range of displacements and pressures. For multi-actuator circuits, where multiple pumps are driven on a common shaft, the package size and weight of the pump are also important. Three architectures for producing positive-displacement pumps are commonly available with variable displacement: swash-plate axial piston, bent axis, and vane.
Much work has been done to improve the efficiency of these three types of variable-displacement pumps. While efforts have enhanced overall maximum efficiency, the efficiency of conventional variable-displacement pumps is poor at low volumetric displacements because the largest energy losses do not scale with output power. In many applications, the pumps operate at low displacement for a large portion of the cycle, which results in significant energy loss.
Additionally, these variable-displacement pumps typically have three times the mass and volume of a fixed-displacement gear pump of the same displacement. The most efficient architecture (the bent-axis unit) does not have a through shaft, which prevents stacked mounting on a common shaft driven by a prime mover. The second-most efficient architecture (the axial-piston unit) has an aspect ratio that is long axially, resulting in a long required packaging space for multiple units that are common-shaft mounted. These are the challenges that motivated the development of a more efficient variable-displacement pump with a form factor amenable to a common shaft.
Understanding AC Hydraulics
A novel ac hydraulics approach for power transmission is based on the theory originated by George Constantinesco, who formulated his ideas of sonics for the transmission of power through waves in liquids, solids, and gases. Typically, ac fluid power can be classified as an alternating flow or standing wave (Figs. 1 and 2). In alternating flow, a periodically varying flow source with no net fluid flow is used to transmit power. In a standing-wave system, the forcing frequency and pipe wavelength are tuned such that reflections at the end of a pipe form standing pressure waves. The ac pump uses an alternating flow approach.
The fundamental operational unit of the ac hydraulic pump can be visualized as two sinusoidally oscillating pistons of equal displacement, with a fluid conduit directly connecting the two cylinders. When the motion of the two pistons are in phase, the flow is combined. When the motion of the pistons are 180 deg. out of phase, they shuttle flow back and forth, resulting in zero output flow. Through variations of the phase shift between the pistons, the combined displacement is continuously variable (Fig. 2).
The architecture for the ac pump involves the mating of two radial piston pumps (Fig. 3), where pairs of cylinders between the pumps are connected and the inlet and outlet flows are controlled with check valves. The two pumps share a common shaft. The phase shift is created by rotating the case of one pump. While check valves were used in early experimental work, implementing active valves will allow full 4-quadrant pump/motor operation.
With 4-quadrant operation, the input shaft will be loaded during pumping and absorb regenerative energy during motoring. The regenerative energy will be transferred through the common shaft to pumps driving other degrees-of-freedom, reducing the load on the prime mover and further improving system efficiency.
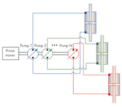
Using the radial piston architecture for the ac pump provides a number of benefits. First, it is one of the highest-efficiency pump architectures available—requiring no port or swash plate. Another benefit is that the radial piston pump has a short axial package, which allows multiple units to be common-shaft mounted for a multi-actuator displacement control system (Fig. 4).
Third, extremely high displacement density can be achieved in a radial pump by using a multi-lobe cam to create multiple pumping strokes per revolution. Not only does this improve compactness, but it also balances radial forces on the pump axle, which reduces the required bearing size and allows the displacement variation to be achieved with a small rotation angle of one pump case. Basically, ac hydraulic pump/motors can handle very high pressures and offer infinite variability.
It is easy to see how variable-displacement pumps are a key component to eliminating metering valve control through displacement control. Yet, existing variable-displacement pump architectures are heavy, have poor efficiency at low displacements, and are axially long—making common-shaft mounting challenging.
This is why ac hydraulic pump technology, which varies the flow rate by phase-shifting pairs of oscillating pistons, is a better choice. If you connect pairs of pistons of two radial piston pumps and phase-shift the case of one pump with respect to the other, it will vary the displacement. This result is a variable pump that is highly efficient, power dense, and axially short—allowing multiple pumps to be mounted on a common shaft.
James D. Van de Ven is professor of mechanical engineering at the University of Minnesota. He acknowledges the contributions of Kim A. Stelson, University of Minnesota, and Eric J. Barth and Douglas E. Adam, both of Vanderbilt University, for their contributions to this discussion.
This file type includes high resolution graphics and schematics when applicable.







