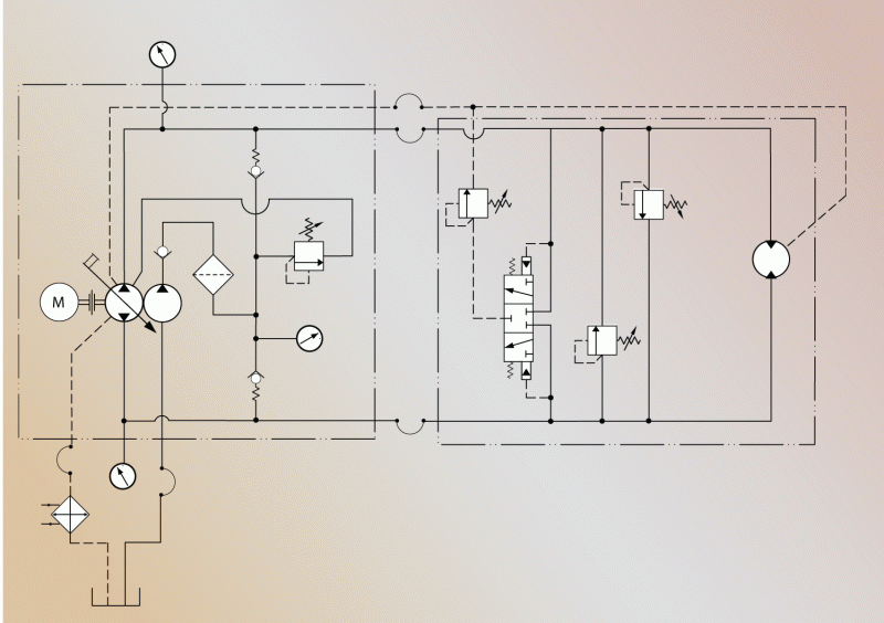
A hydrostatic transmission (HST) driven by a 200-hp diesel engine powers a vertical lift that conveys potash from the bottom of a mine to the surface. The HST’s engine and pump assembly was located on the surface, with the hydraulic motor drive mounted at the bottom of a 600 ft shaft. The circuit shown was provided when the original system was installed.
The hydraulic pump failed and was diagnosed as suffered cavitation or aeration damage. The motor showed wear and was rebuilt. All pressures were set to factory recommendations at the distributor’s shop using its 250-hp test stand. A new pump and the rebuilt motor were installed by the factory-authorized distributor. The field pipe sizes were examined and determined to have been sized larger than needed to keep pressure drop to a minimum. They installed pressure gauges on the pump to read the high pressure lines and the charge system pressure.To maintain the 250 psi charge pressure in the return line at the pump, (when the conveyor was running), they had to increase the pressure setting of the hot oil-flushing shuttle relief valve mounted on the motor. They made sure the charge system relief in the pump was set to 300 psi when the drive was in neutral. This conformed to the factory recommendation that the charge system relief be set approximately 50 psi higher than the shuttle relief setting.
The system was commissioned, and the distributor advised the potash mine manager that he could start lifting potash to the surface. However, the manager complained that he could not lift the same amount of potash without slowing the lift down. The installers tried to increase the system pressure, but found that the engine would bog down before the higher pressure setting was reached. The installers and mine manager both felt that the rebuilt system was the same and should have worked as it did in the past.
They removed the pump and motor and retested them at their shop. The volumetric efficiency of both units met factory specifications. The only change they noticed was the new relieving pressure of the shuttle relief mounted on the pump. This pressure was approximately 490 psi.
Any idea what could be the problem?
Robert J. Sheaf, Jr. is the founder of Certified Fluid Consultants (CFC) and President of CFC-Solar Inc. CFC-Solar provides technical training, consulting, and field services to any industry using fluid power technology. Visit www.cfc-solar.com for more information.
|
Find the solution Think you know the answer? Submit solutions to [email protected]. The correct answer will also be published in the next edition of “Troubleshooting Challenge.” Congratulations to Okey Thornton of Geartek, who was the winner of our December ”Troubleshooting Challenge.” All correct solutions will be entered for a chance at a $50 gift card — we will randomly select a winner from all correct answers. The winner’s name will be printed in the next edition of “Troubleshooting Challenge.” |
|
Solution to February’s wire drawing machine problem Pressure reducing valves, such as the one used on the drawing machine, rely on the valve’s spool remaining in the open position for reverse flow. When the pressure setting of the valve was lowered to reduce the force pulling on the light weight wire, reverse flow caused enough backpressure to move the pressure reducing valve’s spool to the closed position. Due to the very low pressure setting needed, a pressure reducing valve with a bypass check valve should have been used. The company installed a line mounted check valve to overcome their problem. Another factor to consider is the flow rate from the actuator that the reducing valve will receive. If used to control pressure on the cap end of the cylinder, flow from the cylinder will be intensified when it retracts. The flow can be calculated by taking the cap end area, dividing it by the annulus area of the rod end area, and multiplying this area ratio by the flow causing the cylinder to retract. An example would be a 5-in. bore cylinder with a 3½-in. rod. The area ratio would be very close to 2:1. Multiplied by a retract flow of 10 gpm would result in 20 gpm leaving the cap end of the cylinder. |
About the Author

Leaders relevant to this article:

