The 2 Hydraulic Oil Sample Points That Matter
From a predictive maintenance perspective, there is little real benefit from taking an oil sample directly from the hydraulic tank. Sure, an oil sample taken from the tank can be used to establish the cleanliness of the fluid, and the condition of its base oil and additives.
But these days, most hydraulic systems feature a return filter, and so sampling from the tank-and therefore after the return filter, eliminates the predictive intelligence that can be gathered by sampling just before the return filter. Fluid taken immediately upstream of the return filter can still be used to establish the cleanliness level of the fluid, and the condition of its base oil and additives, PLUS it can also provide valuable insight to the condition of the components in the system.
In predictive maintenance language, the oil sample point located immediately upstream of the return filter is called the primary sample location. This means all routine samples are taken from this point (with the system running and at operating temperature). If the primary oil sample shows elevated levels of wear metals, then the task is to establish which component in the system is making the metal. This is so its change-out can be planned-and hopefully executed, prior to in-service failure. To do this, secondary oil sample points are required.
The location of secondary oil sample points in a hydraulic system depends on the type and location of its major components. An obvious location for a secondary sample point would be immediately downstream of the pump. In this case, if the primary oil sample showed a wear metal problem, a secondary sample could then be taken downstream of the pump to establish if it is the responsible component. Obviously, a large hydraulic system can have several secondary sample points located downstream of major components, for use as and when necessary.
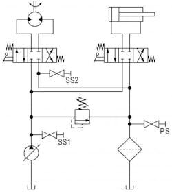
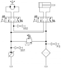
The simple circuit shown below has two secondary sample points: SS1 and SS2. As explained above, if a primary sample (drawn from PS) shows a wear metal problem, then a sample from SS1 will isolate it to the pump; SS2 to the motor; and by process of elimination in this circuit, if the samples taken at SS1 and SS2 are OK, then the cylinder must be making the metal (this logic also assumes the directional control valves are unlikely culprits).Whether all secondary points are sampled at the same time or selectively, depends on the type of wear metal, the construction of the components and the available history on the system.
Bottom line: simply taking an oil sample from the hydraulic tank is a waste of your oil analysis dollars. And to discover six other costly mistakes you want to be sure to avoid with your hydraulic equipment, get "Six Costly Mistakes Most Hydraulics Users Make... And How You Can Avoid Them!" available for FREE download here.
About the Author
Brendan Casey Blog
Author
Brendan Casey is a war-weary and battle-scarred veteran of the hydraulics industry. He's the author of The Hydraulic Troubleshooting Handbook, Insider Secrets to Hydraulics, Preventing Hydraulic Failures, The Definitive Guide to Hydraulic Troubleshooting, The Hydraulic Breakdown Prevention Blueprint and co-author of Hydraulics Made Easy and Advanced Hydraulic Control. And when he's not writing about hydraulics or teaching it, Brendan is flat-out helping consulting clients from a diverse range of industries solve their hydraulic problems. To contact him visit his company's Website:
www.HydraulicSupermarket.com

Leaders relevant to this article:

